Yamaha YFM70GPAKW (GRIZZLY EPS 4WD) B4FD1 2019 CLUTCH Diagram
#
Description
Price
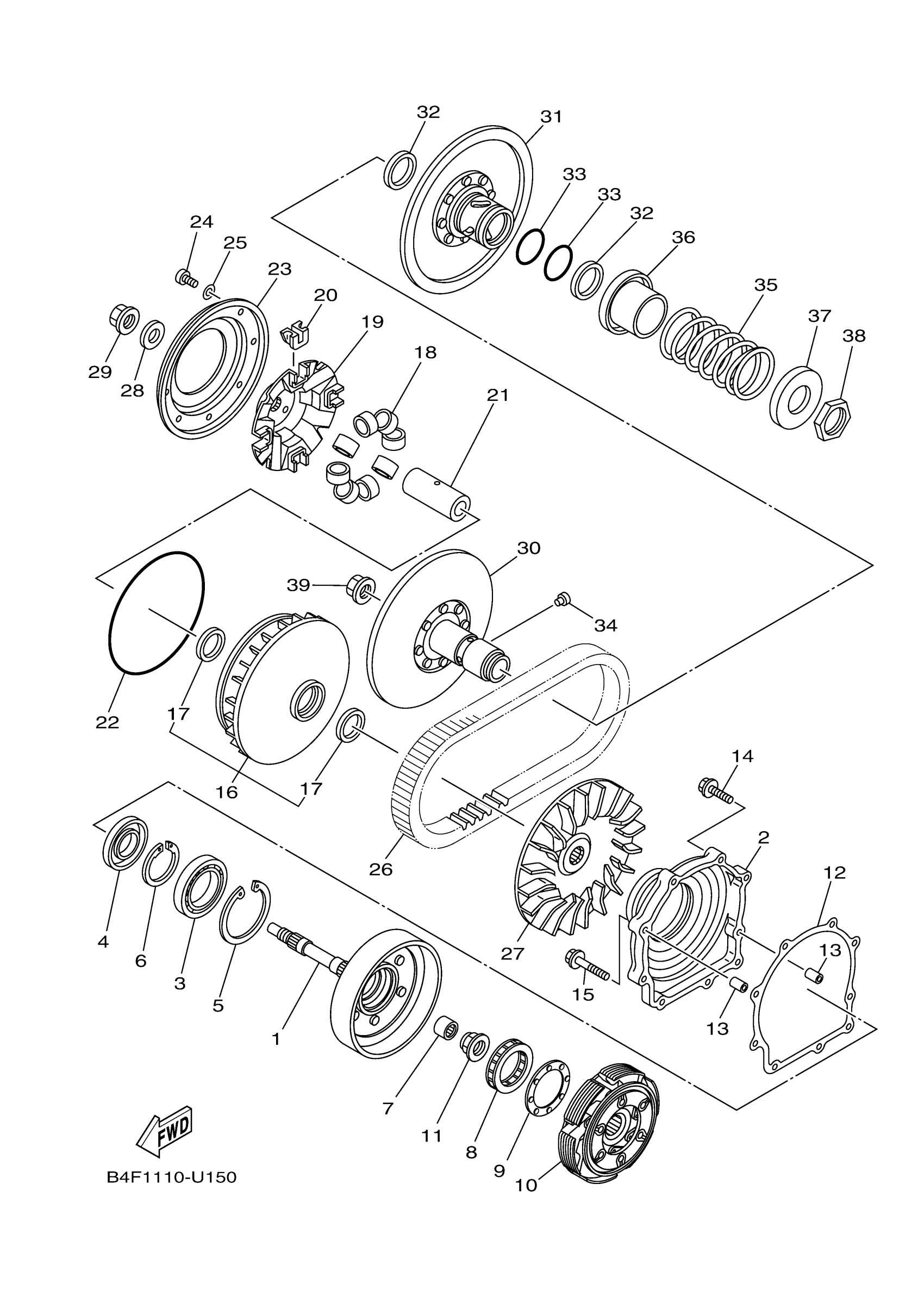
16
PRIMARY SLIDING SHEAVE COMP.
3B4-17606-00-00
Unavailable
17
OIL SEAL
93101-35001-00
Unavailable
18
WEIGHT
2UD-E7632-00-00
Unavailable
19
CAM
3B4-17623-02-00
Unavailable
20
SLIDER
16B-17653-00-00
Unavailable
21
COLLAR
3B4-17645-00-00
Unavailable
22
O-RING
93211-59001-00
Unavailable
23
STOPPER
4WV-17639-10-00
Unavailable
24
SCREW, PAN HEAD
90157-04006-00
Unavailable
25
WASHER, PLATE(4HC)
90201-047R9-00
Unavailable
26
V-BELT
3B4-17641-00-00
Unavailable
27
SHEAVE, PRIMARY FIXED
3B4-17611-00-00
Unavailable
28
WASHER, PLATE
90201-190T7-00
Unavailable
29
NUT
90179-16005-00
Unavailable
30
SECONDARY FIXED SHEAVE COMP.
3B4-17660-10-00
Unavailable
31
SECONDARY SLIDING SHEAVE
3B4-17670-10-00
Unavailable
32
OIL SEAL
93104-41119-00
Unavailable
33
O-RING (10L)
93210-44545-00
Unavailable
34
PIN, GUIDE
4CW-17664-00-00
Unavailable
35
SPRING, COMPRESSION
90501-650A0-00
Unavailable
36
SEAT, SECONDARY SPRING
4WV-17684-00-00
Unavailable
37
SEAT, SPRING
4WV-17644-00-00
Unavailable
38
NUT (5G3)
90170-36279-00
Unavailable
39
NUT
90179-16005-00
Unavailable
