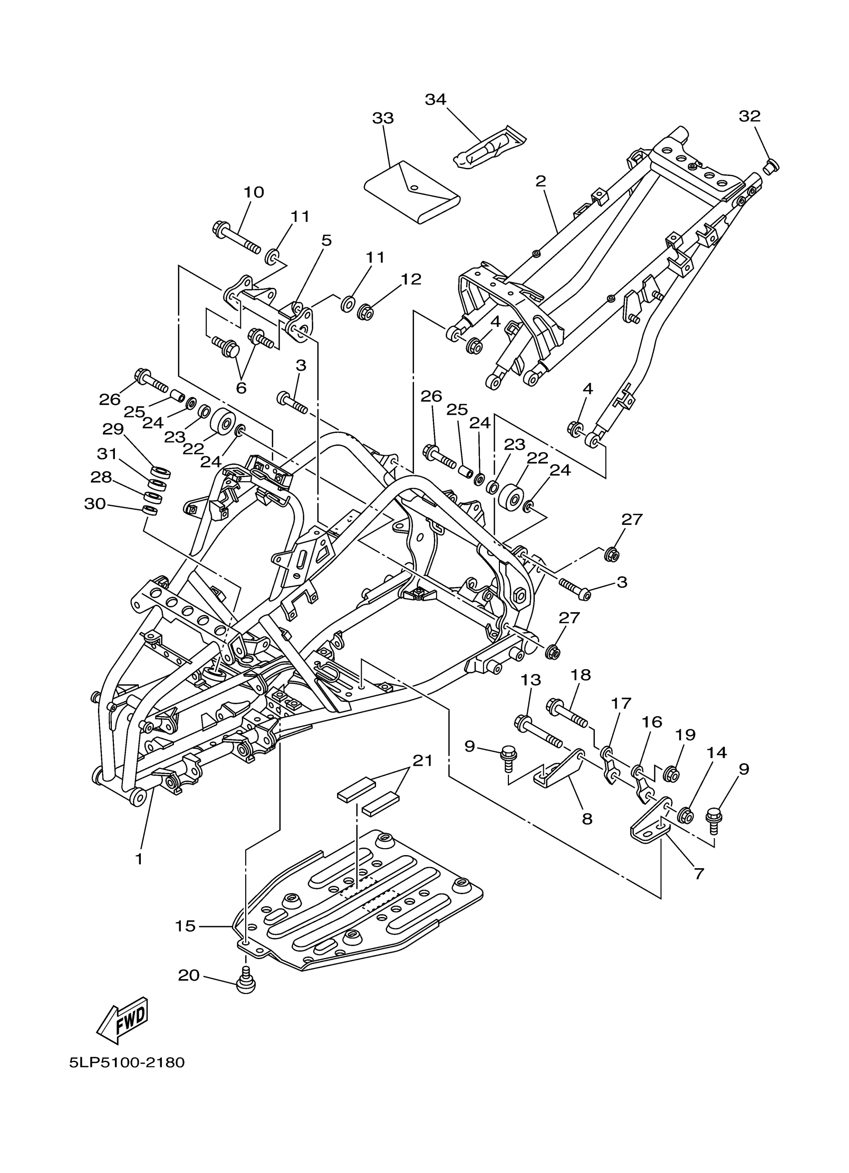
Yamaha YFM660RPB (RAPTOR LIMTED EDITION - BLACK) 5LP8 2002 FRAME Diagram
#
Description
Price
1
FRONT FRAME COMP.
5LP-21101-49-00
Unavailable
2
REAR FRAME COMP.
5LP-21190-49-00
Unavailable
4
NUT
5LP-21244-00-00
Unavailable
5
STAY, ENGINE 2
5LP-21315-10-00
Unavailable
7
STAY, ENGINE 3
5LP-21316-00-00
Unavailable
8
STAY, ENGINE 3
5LP-21317-00-00
Unavailable
15
PROTECTOR, ENGINE
5LP-21471-00-00
Unavailable
16
STAY, ENGINE 5
5LP-21318-00-00
Unavailable
17
STAY, ENGINE 5
5LP-21314-00-00
Unavailable
18
BOLT, FLANGE
95817-10080-00
Unavailable
20
BOLT
90109-06285-00
Unavailable
21
DAMPER, PLATE
90520-10021-00
Unavailable
22
TENSIONER
5LP-22178-00-00
Unavailable
23
BEARING (3X3)
93300-60804-00
Unavailable
24
WASHER, PLATE(3XP)
90201-086P8-00
Unavailable
25
COLLAR
90387-08064-00
Unavailable
26
BOLT, FLANGE
95817-08050-00
Unavailable
27
NUT, SELF-LOCKING
90185-08169-00
Unavailable
28
BEARING
93306-20348-00
Unavailable
29
OIL SEAL (25X44X6-810)
93102-25081-00
Unavailable
30
OIL SEAL (25X36X8-334)
93102-25099-00
Unavailable
31
HOLDER, BEARING
2GU-23872-00-00
Unavailable
32
PLUG (5R2)
90338-18122-00
Unavailable
33
TOOL KIT
4WV-28100-00-00
Unavailable
34
GAUGE, AIR
1NV-2811A-01-00
Unavailable
