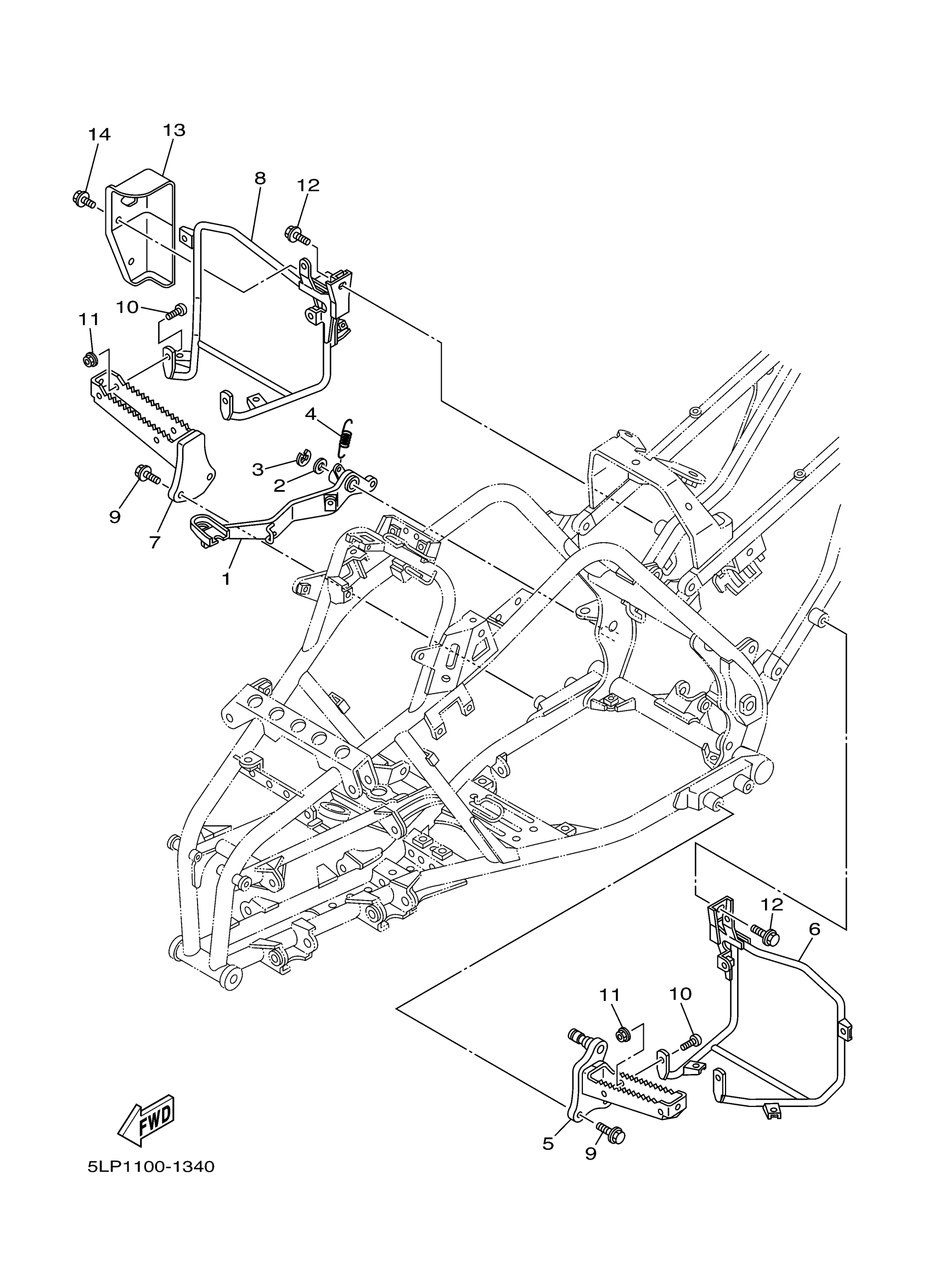
Yamaha YFM660RNC (660R RAPTOR) 5LP3 2001 STAND FOOTREST Diagram
#
Description
Price
1
PEDAL, BRAKE
5LP-27211-10-00
Unavailable
5
FOOTREST 1
5LP-27411-00-00
Unavailable
6
PLATE 1
5LP-27445-00-00
Unavailable
7
FOOTREST 2
5LP-27421-00-00
Unavailable
8
PLATE 2
5LP-27446-01-00
Unavailable
13
COVER 1
5LP-27453-00-00
Unavailable
