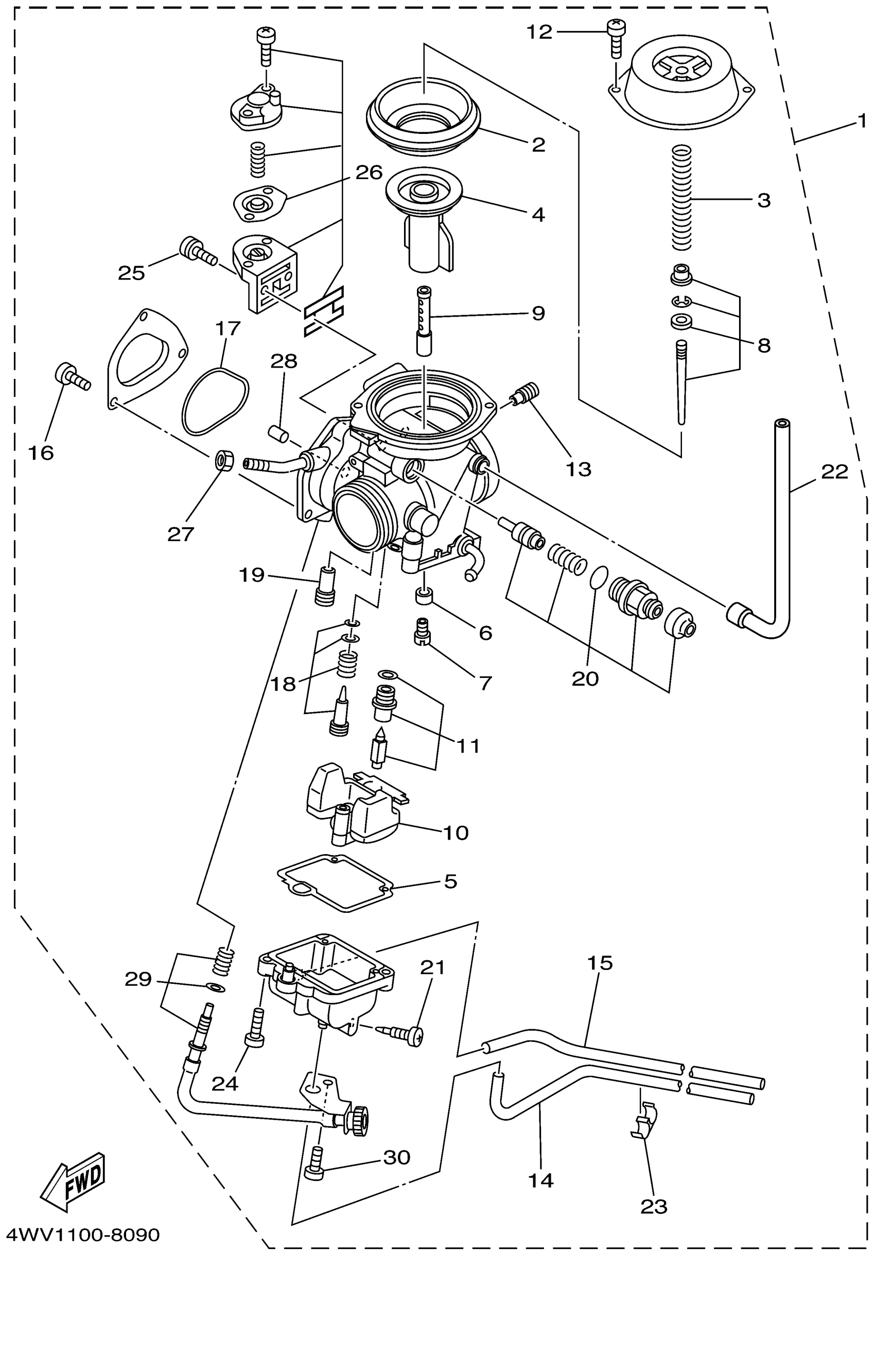
Yamaha YFM600FWALC (GRIZZLY) 5GT2 1999 CARBURETOR Diagram
#
Description
Price
1
CARBURETOR ASSEMBLY 1
4WV-14901-00-00
Unavailable
1
CARBURETOR ASSEMBLY 1
4WV-14901-10-00
Unavailable
3
. SPRING, DIAPHRAGM
4WV-14933-00-00
Unavailable
4
. VALVE
4WV-14272-00-00
Unavailable
7
. JET, MAIN #1438
620-1423E-S7-00
Unavailable
8
. NEEDLE SET
4WV-1490J-10-00
Unavailable
9
NOZZLE, MAIN
4WV-14941-90-00
Unavailable
11
NEEDLE VALVE ASSY
4WV-14190-28-00
Unavailable
13
. PILOT JET, AIR (07)
239-14172-07-00
Unavailable
14
. PIPE
4WV-14996-00-00
Unavailable
15
. PIPE
4WV-14193-00-00
Unavailable
16
SCREW, PAN HEAD(3XP)
98517-04006-00
Unavailable
17
O-RING
4WV-14147-10-00
Unavailable
18
PILOT SCREW SET
4WV-14105-01-00
Unavailable
19
JET, PILOT (# 42.5)
4HR-14142-42-00
Unavailable
20
STARTER SET
4WV-1410A-00-00
Unavailable
21
PLUG, DRAIN
12R-14191-00-00
Unavailable
22
. PIPE
4WV-14197-00-00
Unavailable
23
CLIP
87M-14137-00-00
Unavailable
24
SCREW,PAN HEAD
98502-05014-00
Unavailable
25
SCREW, PAN HEAD
98517-04012-00
Unavailable
26
. DIAPHRAGM ASSY
4WV-14940-00-00
Unavailable
27
NUT, CABLE ADJUSTING
522-14161-00-00
Unavailable
28
GUIDE, CABLE
1UY-14155-00-00
Unavailable
29
THROTTLE SCREW SET
4WV-14103-01-00
Unavailable
30
SCREW, PAN HEAD(3LA)
98517-05010-00
Unavailable
