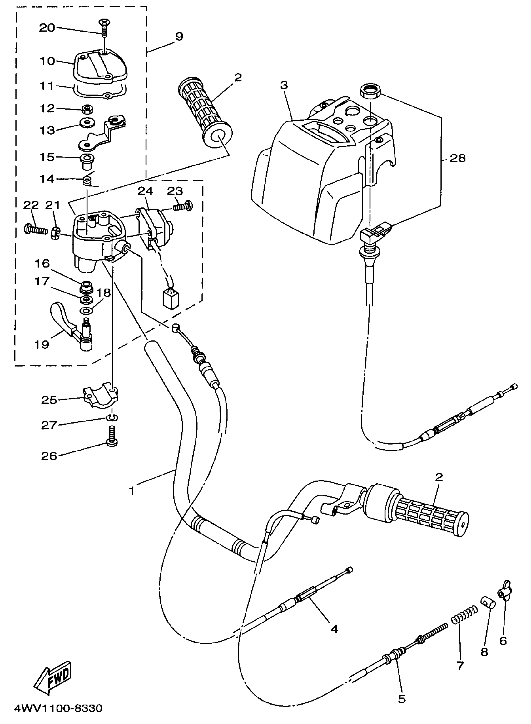
Yamaha YFM600FWAKC (GRIZZLY) 4WV11 1998 STEERING HANDLE CABLE Diagram
#
Description
Price
1
HANDLEBAR
2HR-26111-00-00
Unavailable
3
PROTECTOR,HANDLEBAR
4WV-26124-01-00
Unavailable
9
THROTTLE LEVER ASSY
4WV-26250-12-00
Unavailable
10
. CAP, GEAR
4KB-2628F-00-00
Unavailable
13
. WASHER, SPECIAL
53L-83909-00-00
Unavailable
16
COLLAR
1NV-2625K-00-00
Unavailable
17
OIL SEAL (9X15X4-256)
93104-09025-00
Unavailable
18
WASHER
1NV-26129-00-00
Unavailable
19
LEVER, THROTTLE
1NV-2625G-02-00
Unavailable
20
SCREW(3HE)
90149-04278-00
Unavailable
21
NUT, HEXAGON SMALL
95317-05700-00
Unavailable
22
SCREW, PAN HEAD
98517-05020-00
Unavailable
23
. SCREW, WITH WASHER
97607-04210-00
Unavailable
24
SWITCH, HANDLE 1
4WV-83976-00-00
Unavailable
25
HOLDER, LEVER LOWER
4V4-82913-00-00
Unavailable
26
SCREW, PAN HEAD
98517-05020-00
Unavailable
27
WASHER(1RW)
92907-05600-00
Unavailable
28
CABLE, STARTER 1
4WV-26331-00-00
Unavailable
