Yamaha YFM600FWAKC (GRIZZLY) 4WV11 1998 REAR WHEEL Diagram
#
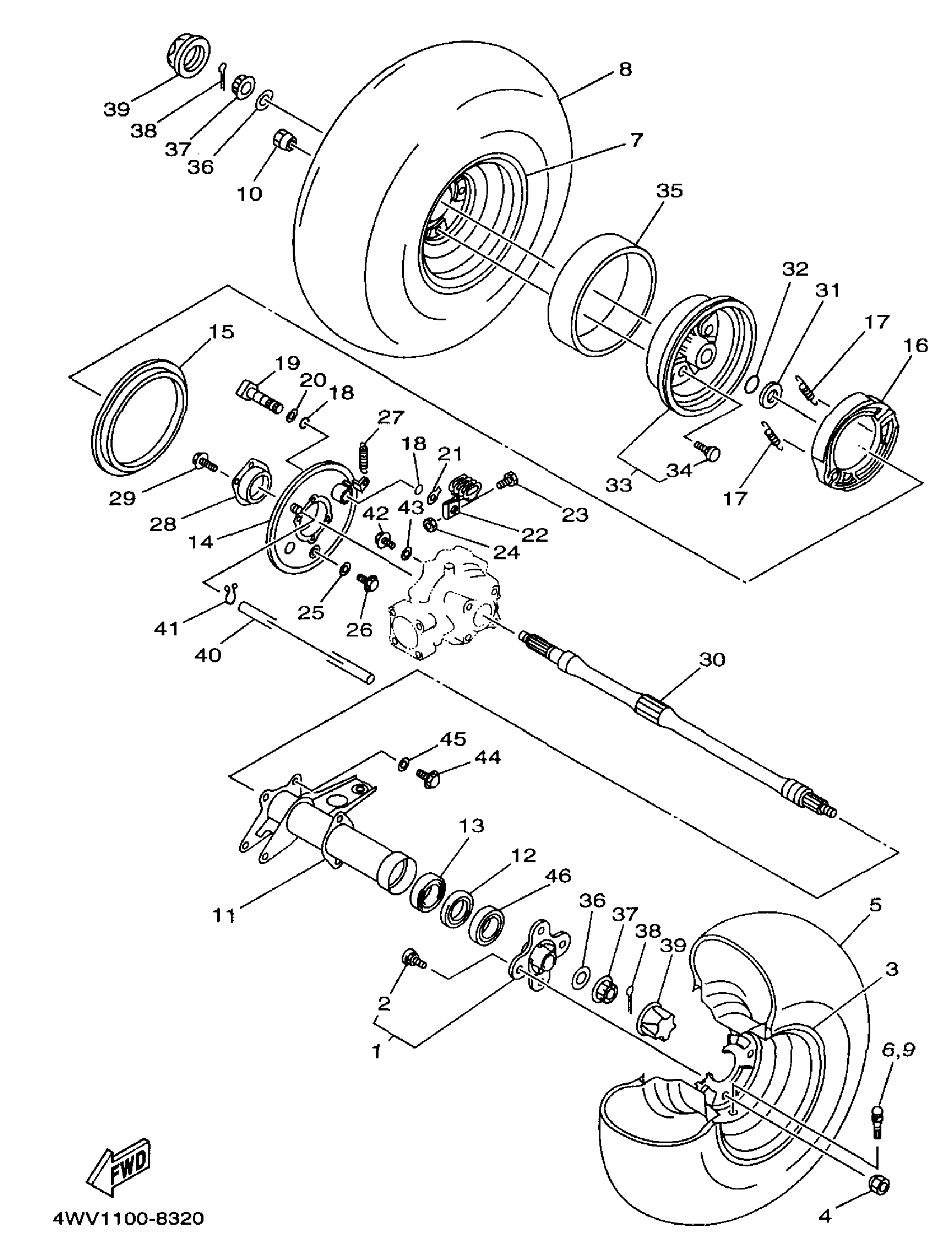
1
COLLAR, WHEEL
4WV-25383-00-00
Unavailable
3
REAR WHEEL COMP.
4BD-25390-00-MA
Unavailable
5
TIRE
94110-1011H-00
Unavailable
7
REAR WHEEL COMP.
4BD-25390-00-MA
Unavailable
8
TIRE
94110-1011H-00
Unavailable
11
REAR AXLE HOUSING COMP.
4WV-46540-00-00
Unavailable
12
OIL SEAL(3HN)
93106-42037-00
Unavailable
13
BEARING
93306-00809-00
Unavailable
14
PLATE, BRAKE SHOE
4SH-25321-00-00
Unavailable
16
BRAKE SHOE KIT
4WV-W253E-01-00
Unavailable
17
SPRING, TENSION 2462533300
90507-20002-00
Unavailable
18
O-RING (26H)
93210-14579-00
Unavailable
19
CAMSHAFT
4WV-25351-00-00
Unavailable
20
SHIM, CAM SHAFT
148-25353-00-00
Unavailable
21
PLATE
3Y6-2533A-01-00
Unavailable
22
LEVER, CAMSHAFT
4WV-25355-00-00
Unavailable
23
BOLT, HEXAGON (538)
90101-06278-00
Unavailable
24
NUT(6TA)
95317-06600-00
Unavailable
25
WASHER, PLATE(481)
90201-10118-00
Unavailable
26
BOLT, SMALL FLANGE
95027-10016-00
Unavailable
27
SPRING, TENSION(4GB)
90506-16482-00
Unavailable
28
RETAINER
4GB-46513-00-00
Unavailable
29
BOLT, FLANGE
95817-08040-00
Unavailable
30
AXLE, WHEEL
4WV-25381-09-00
Unavailable
31
COLLAR(2NL)
90387-284T0-00
Unavailable
32
O-RING(22F)
93210-26662-00
Unavailable
33
DRUM, BRAKE
4GB-2531E-00-00
Unavailable
34
BOLT, SERRATION
90114-10016-00
Unavailable
35
RING 2
4GB-25336-00-00
Unavailable
36
WASHER, PLATE(2HR)
90201-162L6-00
Unavailable
37
NUT, CASTLE
90171-16001-00
Unavailable
38
PIN, COTTER
91490-30030-00
Unavailable
39
CAP, WHEEL
52H-2512A-00-00
Unavailable
40
HOSE (L1200)
90445-080K8-00
Unavailable
41
CLIP (16G)
90467-08021-00
Unavailable
42
BOLT, FLANGE(3GD)
95817-10025-00
Unavailable
43
WASHER, PLATE(47X)
90201-101J1-00
Unavailable
44
BOLT, FLANGE(3GD)
95817-10025-00
Unavailable
45
WASHER, PLATE(47X)
90201-101J1-00
Unavailable
46
COVER, HUB DUST
4SH-25367-01-00
Unavailable
