Yamaha YFM600FWAKC (GRIZZLY) 4WV11 1998 ELECTRICAL 2 Diagram
#
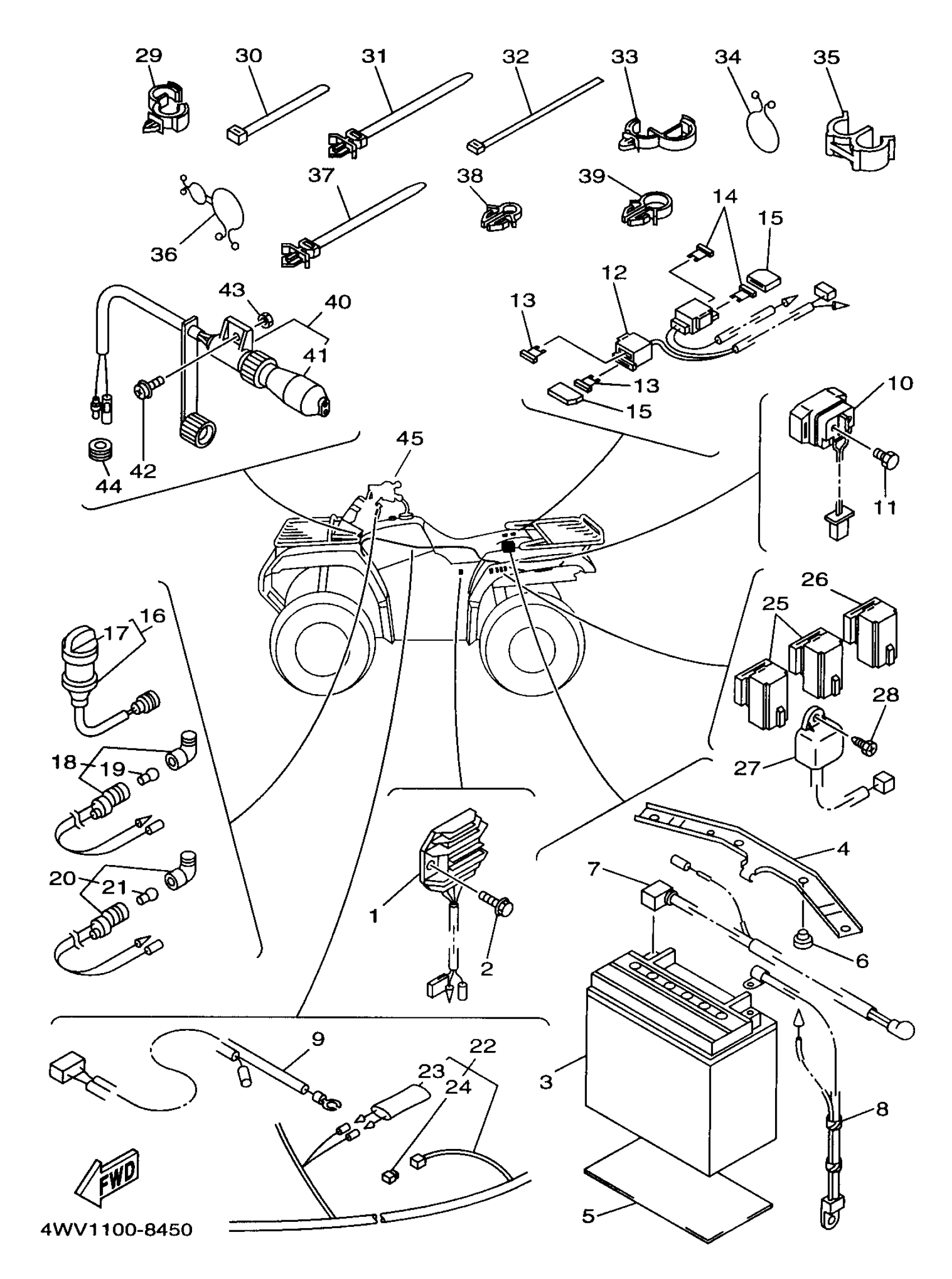
3
BATTERY ASSY (YUASA YTX20L-BS)
YTX-20LBS-00-00
Unavailable
4
BRACKET, BATTERY
4WV-82128-00-00
Unavailable
5
DAMPER 2
4BD-21639-00-00
Unavailable
7
WIRE, PLUS LEAD
4WV-82115-00-00
Unavailable
8
WIRE, MINUS LEAD
4WV-82116-00-00
Unavailable
9
WIRE, LEAD
4WV-82541-00-00
Unavailable
12
FUSE HOLDER ASSY
5GT-82150-00-00
Unavailable
14
. BAND
4KL-82155-00-00
Unavailable
16
MAIN SWITCH ASSY
4GB-82510-12-00
Unavailable
17
CAP, KEY
3HN-82579-00-00
Unavailable
18
PILOT LIGHT ASSY
2HR-83530-01-00
Unavailable
19
BULB (12V-3.4W)
123-83516-21-00
Unavailable
20
PILOT LIGHT ASSY
24W-83530-10-00
Unavailable
21
BULB (12V-3.4W)
123-83516-21-00
Unavailable
22
WIRE HARNESS ASSY
4WV-82590-01-00
Unavailable
23
CIRCUIT BREAKER ASSY
5GT-82180-00-00
Unavailable
24
DIODE ASSY
3WP-81980-00-00
Unavailable
25
RELAY ASSY (29U-93)
29U-81950-93-00
Unavailable
26
RELAY ASSY (2NL-92)
2NL-81950-92-00
Unavailable
27
MOTOR CONTROL UNIT ASSY
4SH-86510-00-00
Unavailable
28
SCREW, BINDING
98907-06016-00
Unavailable
29
CLAMP(4AP)
90464-20181-00
Unavailable
30
CLAMP(4FM)
90464-15195-00
Unavailable
31
CLAMP(2TV)
90464-10112-00
Unavailable
32
BAND
1UA-82591-00-00
Unavailable
33
CLAMP(M80)
90464-07209-00
Unavailable
34
CLAMP (8M1)
90464-30040-00
Unavailable
35
CLIP(33M)
90468-15139-00
Unavailable
36
CLAMP
90464-25098-00
Unavailable
37
CLAMP(2TV)
90464-10112-00
Unavailable
38
CLAMP(4BD)
90464-48174-00
Unavailable
39
CLAMP(3XV)
90464-15157-00
Unavailable
40
TERMINAL ASSY
59V-81920-00-00
Unavailable
41
COVER
59V-81942-00-00
Unavailable
42
SCREW, WITH WASHER (1T4/2F3)
90159-05018-00
Unavailable
43
NUT, FLANGE(3GM)
95707-05500-00
Unavailable
44
GROMMET (5H0)
90480-10297-00
Unavailable
45
KEY, BLANK (A-TYPE)
90890-56001-00
Unavailable
45
KEY, BLANK (B-TYPE)
90890-56002-00
Unavailable
