Partiron

Yamaha YFM600FN (GRIZZLY YFM600FHN GRIZZLY REALTREE HUNTER) 5GTE 2001 METER Diagram

#

Description
Price

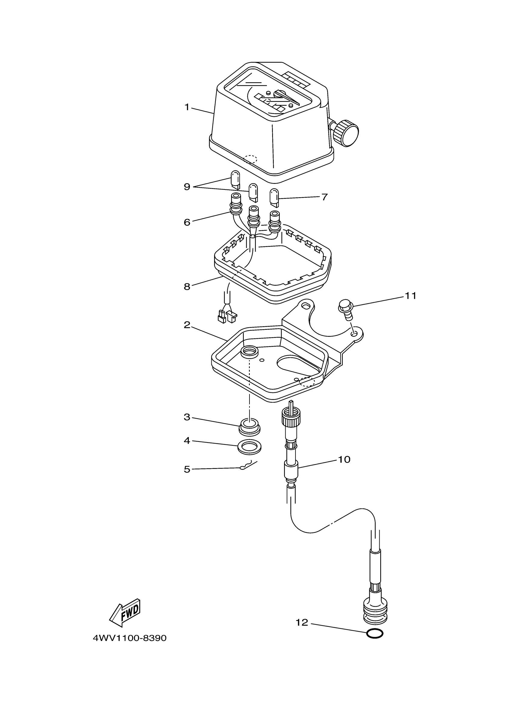
1

SPEEDOMETER ASSY

4WV-83570-00-00

Unavailable

2

BRACKET, METER

4GB-83519-00-00

Unavailable

3

DAMPER 2

1M1-83526-01-00

$4.47

4

WASHER PLATE 829771780000

90201-05033-00

$10.49

5

CLIP (156-83525-00)

90468-10050-00

$3.05

6

SOCKET, METER

4WV-83536-00-00

Unavailable

7

BULB, MTR.12V3.4W

4G1-84744-00-XX

Unavailable

8

DAMPER

5Y0-83513-00-00

Unavailable

9

BULB (12V-1.7W)

3GM-83517-00-00

$7.99

10

SPEEDOMETER CABLE ASSY

4WV-83550-00-00

$53.99

11

BOLT, FLANGE

95817-06010-00

$4.73

12

O-RING (26H)

93210-14579-00

$7.49