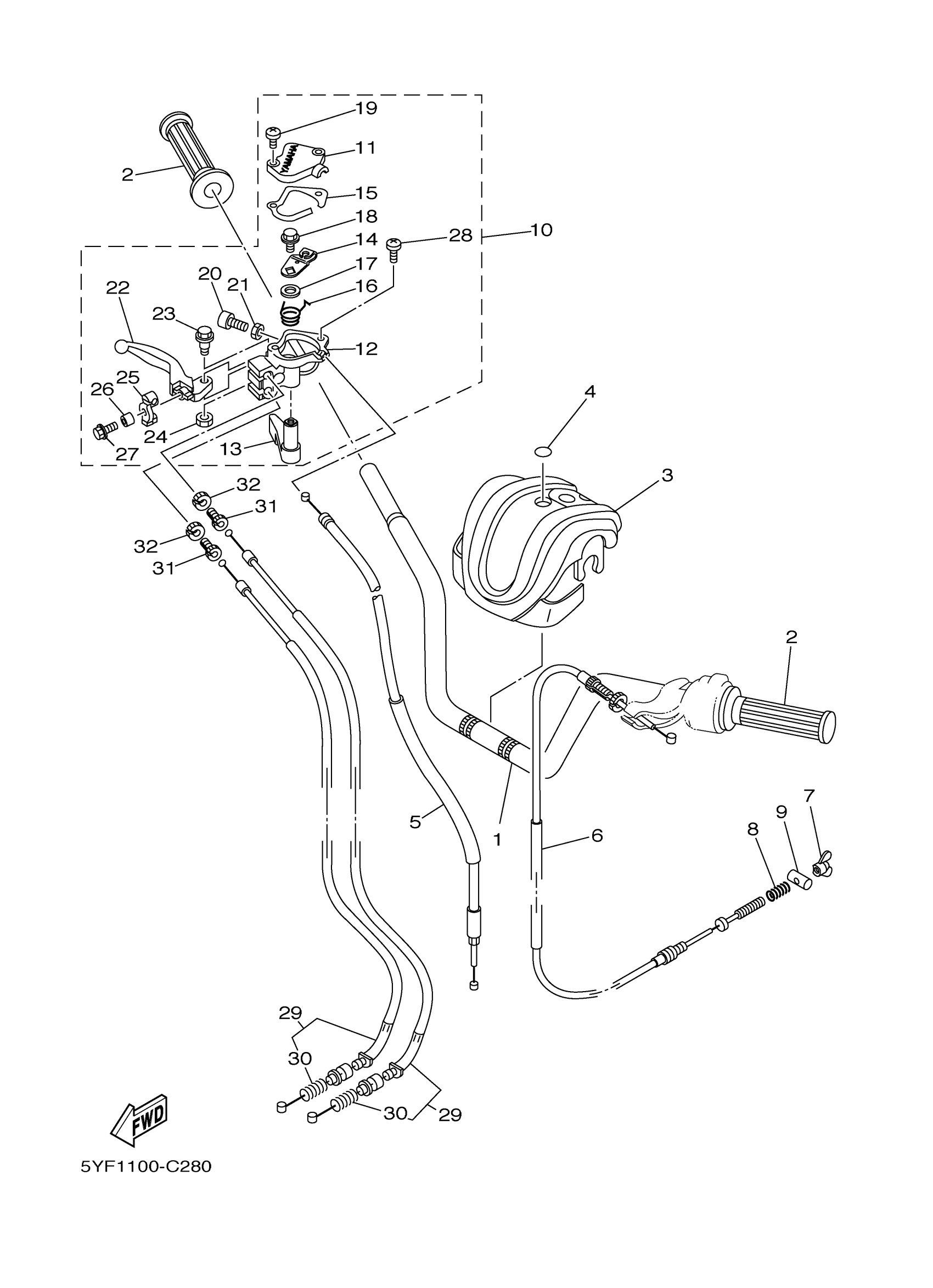
Yamaha YFM50S (RAPTOR 50) 5YF1 2004 STEERING HANDLE CABLE Diagram
#
Description
Price
1
HANDLEBAR
5YF-26111-00-00
Unavailable
3
PROTECTOR, HANDLEBAR
5TH-26124-00-00
Unavailable
3
PROTECTOR, HANDLEBAR
5TH-26124-20-00
Unavailable
10
THROTTLE LEVER ASSY
5YF-26250-01-00
Unavailable
11
CAP, GEAR
3GB-2628F-00-00
Unavailable
12
BODY, THROTTLE
3GB-2625E-01-00
Unavailable
13
LEVER, THROTTLE
3GB-2625G-00-00
Unavailable
15
GASKET
3GB-2628G-02-00
Unavailable
16
SPRING, TORSION(3GB)
90508-10775-00
Unavailable
17
WASHER, PLATE(3GB)
90201-145M4-00
Unavailable
18
BOLT, FLANGE
95817-08012-00
Unavailable
19
SCREW, PAN HEAD
98517-04016-00
Unavailable
20
SCREW, PAN HEAD(JJ6)
98507-05016-00
Unavailable
21
NUT, HEXAGON SMALL
95317-05700-00
Unavailable
22
LEVER 2
5YF-83922-00-00
Unavailable
23
BOLT(3GB)
90109-061F3-00
Unavailable
24
NUT, SELF-LOCKING
95617-06100-00
Unavailable
25
JOINT, CABLE
3GB-26347-00-00
Unavailable
26
COLLAR (3L6)
90387-06761-00
Unavailable
27
BOLT, FLANGE
95817-06016-00
Unavailable
28
SCREW, PAN
98517-06020-00
Unavailable
29
CABLE, BRAKE
3GB-26361-04-00
Unavailable
30
SPRING (2N3)
90501-08511-00
Unavailable
31
BOLT(2FJ)
90123-08106-00
Unavailable
32
NUT
90179-08030-00
Unavailable
