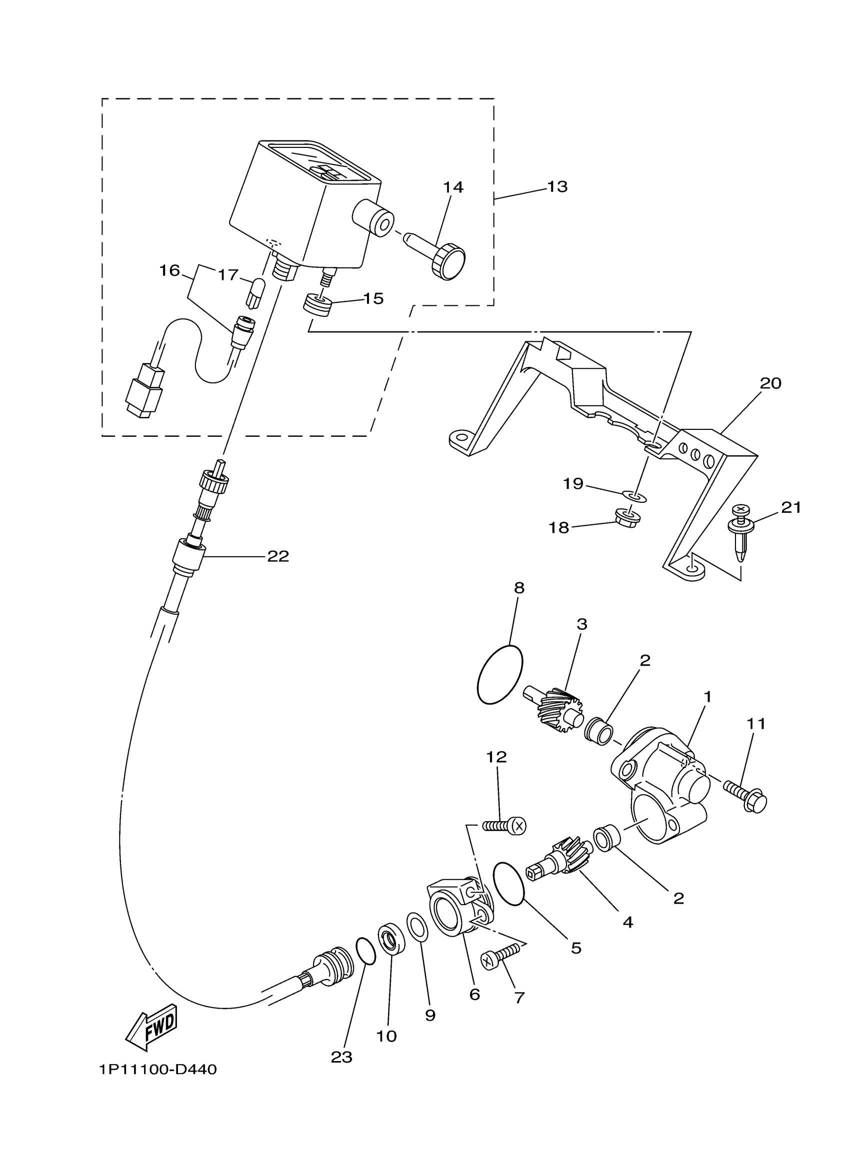
Yamaha YFM4FGHX (GRIZZLY 400 4WD HUNTER) 1P1G 2008 METER Diagram
#
Description
Price
1
HOUSING, TACHOMETER GEAR
4WV-17811-00-00
Unavailable
4
GEAR, DRIVEN
4WV-17841-00-00
Unavailable
7
SCREW, PAN HEAD
98580-06016-00
Unavailable
9
WASHER (692)
90201-12M34-00
Unavailable
13
. SPEEDOMETER ASSY
5GH-83500-00-00
Unavailable
14
.. KNOB, TRIP METER
3GH-83578-00-00
Unavailable
16
.. SOCKET CORD ASSY
5GH-83520-00-00
Unavailable
17
BULB (T6.5 12V-3W)
42X-83517-00-00
Unavailable
18
NUT, FLANGE
95702-05500-00
Unavailable
19
WASHER, PLATE (8J0)
90201-05725-00
Unavailable
20
BRACKET, METER
5TE-H3519-00-00
Unavailable
21
RIVET
90269-06800-00
Unavailable
22
SPEEDOMETER CABLE
5VH-H3550-01-00
Unavailable
23
O-RING (26H)
93210-14579-00
Unavailable
