Partiron

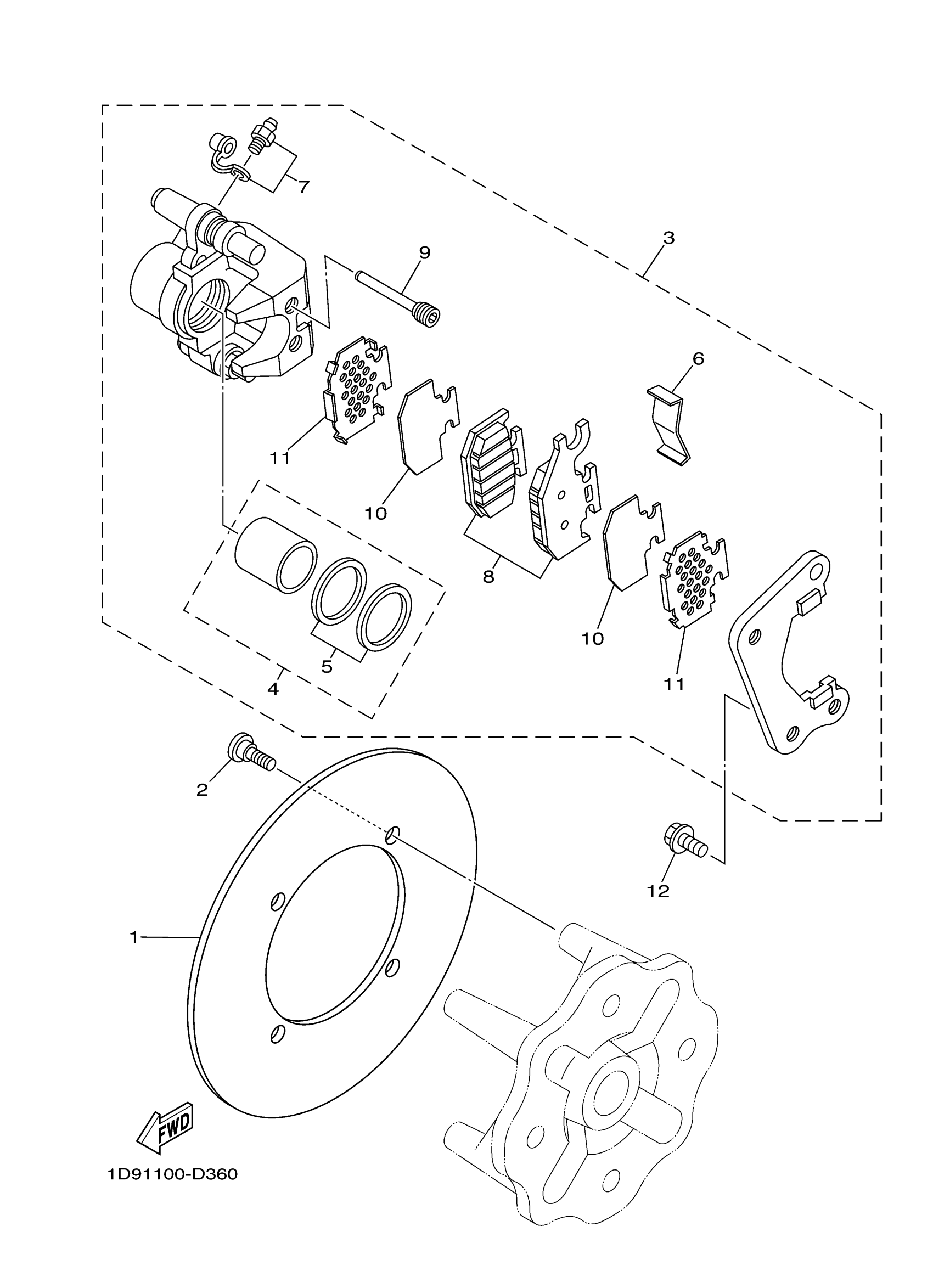
Yamaha YFM4FAHT (KODIAK 400 4WD HUNTER) 1P14 2005 REAR BRAKE CALIPER Diagram

#

Description
Price

1

DISC, BRAKE (RIGHT)

1D9-F5831-00-00

Unavailable

2

BOLT

90109-08087-00

$8.49

3

CALIPER ASSY, REAR 1

1D9-2580V-02-00

$464.99

4

PISTON ASSY, CALIPER

3TB-W0057-00-00

$64.99

5

CALIPER SEAL KIT

3GD-W0047-00-00

$15.49

6

SUPPORT, PAD

4GY-25919-50-00

Unavailable

7

BLEED SCREW KIT

36Y-W0048-00-00

$9.99

8

BRAKE PAD KIT 2

1D9-W0046-00-00

$41.99

9

PIN, PAD

5GH-25924-00-00

Unavailable

10

SHIM, CALIPER

5UG-25827-00-00

$28.99

11

SHIM, CALIPER

5GH-25828-00-00

$16.49

12

BOLT, FLANGE

90105-08161-00

$7.49