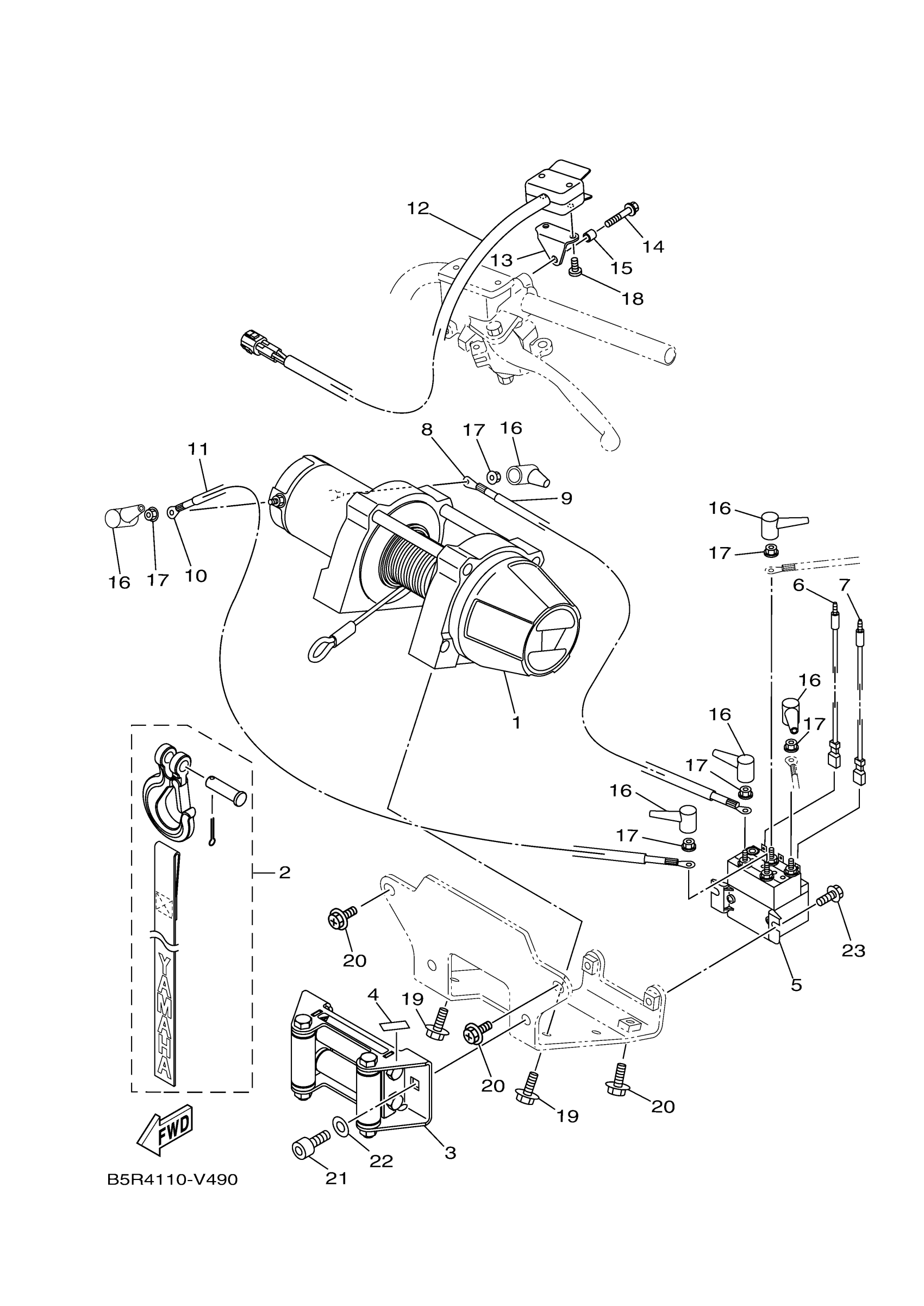
Yamaha YFM45KPSLG (KODIAK 450 EPS SE) B5R4 2020 OPTIONAL PARTS 1 Diagram
#
Description
Price
1
WINCH
B5R-F845V-V0-00
Unavailable
3
ROLLER
B5R-F178G-V1-00
Unavailable
5
CONTACTOR
B5R-H232W-V0-00
Unavailable
6
WIRE, LEAD
B5R-H2117-V0-00
Unavailable
7
WIRE, LEAD 2
B5R-H2127-V0-00
Unavailable
8
WIRE, INNER 3
B5R-F633M-V0-00
Unavailable
10
WIRE, INNER 4
B5R-F633N-V0-00
Unavailable
12
SWITCH ASSY
B5R-H259E-V0-00
Unavailable
13
BRACKET, SWITCH
B4F-F1453-V0-00
Unavailable
16
PROTECTOR
B4F-F3472-V0-00
Unavailable
17
NUT, FLANGE
95702-06500-00
Unavailable
18
SCREW, SPECIAL
B4F-F8382-V0-00
Unavailable
19
BOLT, FLANGE DEEP RECESS
95D32-08020-00
Unavailable
20
BOLT, FLANGE DEEP RECESS
95D32-08020-00
Unavailable
21
BOLT
91312-10020-00
Unavailable
22
WASHER, PLATE
90201-10033-00
Unavailable
23
BOLT, SPECIAL 1
JW1-K6179-01-00
Unavailable
