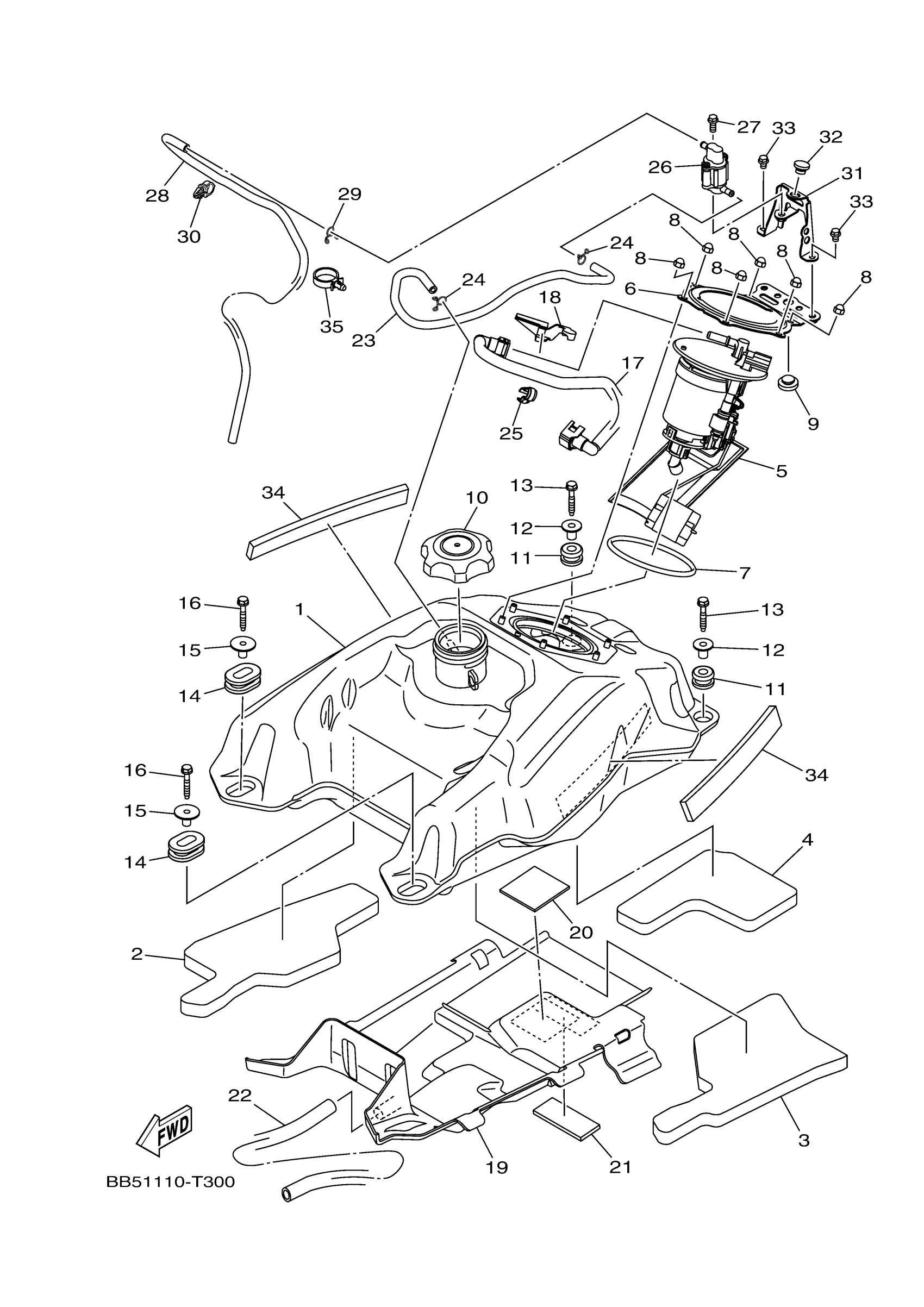
Yamaha YFM45KPHLF (KODIAK 450 EPS HUNTER) BB5U 2020 FUEL TANK Diagram
#
Description
Price
6
BRACKET, FUEL PUMP
BB5-24491-00-00
Unavailable
17
PIPE, FUEL 1
BB5-13971-01-00
Unavailable
18
CLAMP
90464-14004-00
Unavailable
19
DAMPER, PLATE 1
BB5-F414H-00-00
Unavailable
20
DAMPER
1B2-F174Y-00-00
Unavailable
21
DAMPER, RUBBER 1
BB5-21485-00-00
Unavailable
22
HOSE
90445-19005-00
Unavailable
23
PIPE 2
BB5-F4312-00-00
Unavailable
24
CLIP
90467-090A2-00
Unavailable
25
CLAMP(53Y)
90464-15065-00
Unavailable
26
PIPE JOINT ASSY
BB5-24380-00-00
Unavailable
27
BOLT, FLANGE DEEP RECESS
95E32-06014-00
Unavailable
28
HOSE (L960)
90445-095K5-00
Unavailable
29
CLIP
90467-090A2-00
Unavailable
30
CLAMP
90464-12830-00
Unavailable
31
STAY
BB5-F4216-00-00
Unavailable
32
PLUG (11H)
90338-11125-00
Unavailable
33
BOLT, FLANGE DEEP RECESS
95E32-06010-00
Unavailable
34
DAMPER, PLATE
90520-08001-00
Unavailable
35
CLAMP(4NK)
90464-24230-00
Unavailable
