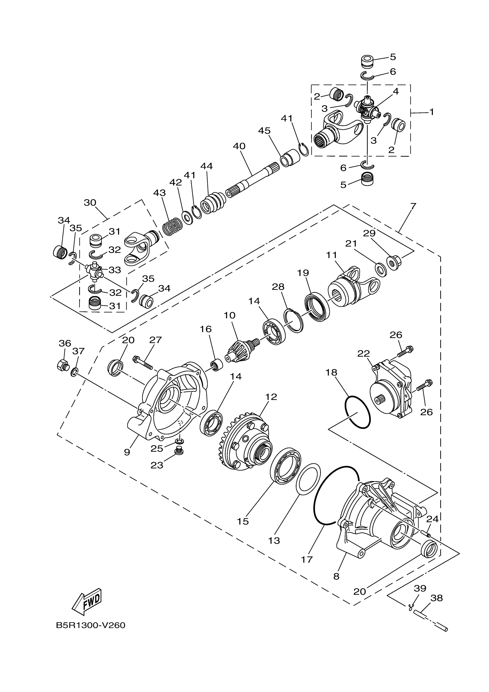
Yamaha YFM45KPAPG (KODIAK 450 EPS) BEYP 2023 FRONT DIFFERENTIAL Diagram
#
7
FRONT AXLE GEAR CASE COMP.
B5R-46160-00-00
Unavailable
10
PINION, DRIVE 2
1XD-46141-00-00
Unavailable
11
YOKE, JOINT 2
4S1-46146-01-00
Unavailable
13
SHIM, RING GEAR (0.2T)
3B4-46117-10-00
Unavailable
13
SHIM, RING GEAR (0.3T)
3B4-46117-20-00
Unavailable
13
SHIM, RING GEAR (0.4T)
3B4-46117-30-00
Unavailable
14
BEARING(2HR)
93306-00612-00
Unavailable
15
BEARING 1
3B4-46164-00-00
Unavailable
16
BEARING 3
3B4-46166-00-00
Unavailable
17
O-RING 1
3B4-46134-00-00
Unavailable
18
O-RING 2
3B4-46135-00-00
Unavailable
19
OIL SEAL
93105-46001-00
Unavailable
20
SEAL,OIL 1
3B4-46163-00-00
Unavailable
21
WASHER, PLATE
90201-14021-00
Unavailable
22
SERVO MOTOR COMP
1HP-4616A-00-00
Unavailable
23
PLUG, STRIGHT SCREW(5GH1)
90340-10001-00
Unavailable
24
TUBE
5GH-46293-00-00
Unavailable
25
GASKET
90430-10003-00
Unavailable
26
BOLT, FLANGE
95812-06014-00
Unavailable
27
BOLT, FLANGE
95817-08040-00
Unavailable
28
RING,HOLE SNAP 1
3B4-46142-00-00
Unavailable
29
NUT 1
4WV-46145-11-00
Unavailable
36
PLUG, STRAIGHT(2E9)
90340-14029-00
Unavailable
37
GASKET
214-11198-01-00
Unavailable
38
HOSE
90445-07809-00
Unavailable
39
CLIP (1J7)
90467-07029-00
Unavailable
40
SHAFT, DRIVE 2
37S-G6173-00-00
Unavailable
41
CIRCLIP(1EY)
99009-19400-00
Unavailable
42
WASHER PLATE 132172160000
90201-20266-00
Unavailable
43
SPRING, COMPRESSION
90501-235L9-00
Unavailable
44
SEAL 1
5GT-46136-00-00
Unavailable
45
SEAL 2
5GT-46137-00-00
Unavailable
