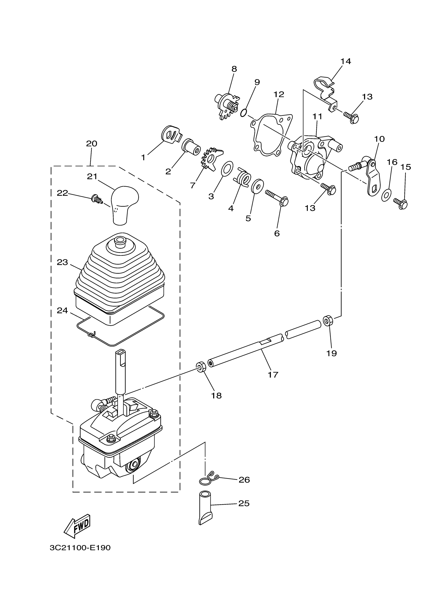
Yamaha YFM45FXXL (WOLVERINE 450 4WD) 3C2A0 2008 SHIFT SHAFT Diagram
#
Description
Price
8
SHAFT
5GH-18197-00-00
Unavailable
10
SHIFT GUIDE COMP.
5GH-18104-00-00
Unavailable
11
COVER, SHIFT SHAFT
5GH-18129-01-00
Unavailable
13
BOLT(7U8)
97080-06020-00
Unavailable
17
ROD, SHIFT
3C2-18115-00-00
Unavailable
18
NUT(1KT)
90170-08358-00
Unavailable
19
. NUT
95380-08700-00
Unavailable
20
SHIFTER ASSY
1P1-18300-01-00
Unavailable
21
. KNOB, SHIFT LEVER
1P1-18174-00-00
Unavailable
22
RIVET(81E)
90269-05055-00
Unavailable
23
BOOTS, SEALING
5GH-18131-00-00
Unavailable
24
STOPPER, RUBBER
5GH-18617-00-00
Unavailable
25
PIPE, DRAIN
5BF-1443E-00-00
Unavailable
26
CLIP
90467-150A2-00
Unavailable
