- Partiron
- OEM Parts
- Yamaha
- atv
- 2007
- YFM45FXSEW (WOLVERINE 450 SPORT SPECIAL EDITION) 3C27 2007
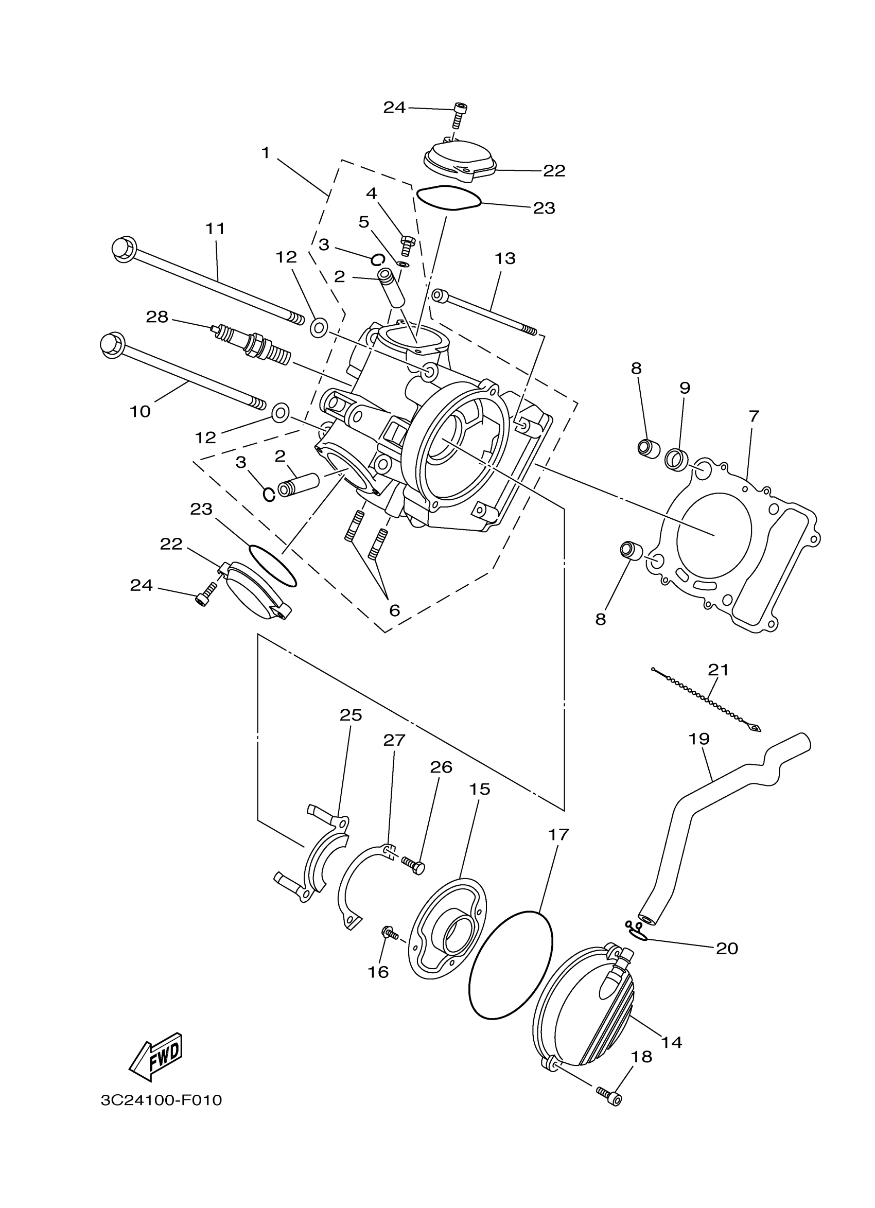
CYLINDER HEAD
Yamaha YFM45FXSEW (WOLVERINE 450 SPORT SPECIAL EDITION) 3C27 2007 CYLINDER HEAD Diagram
#
Description
Price
1
CYLINDER HEAD ASSY
5GH-11101-09-00
Unavailable
4
BOLT UNION 137131650000
90401-06001-00
Unavailable
14
BREATHER ASSY
4WU-11160-01-00
Unavailable
15
PLATE, BREATHER
4KB-11165-00-00
Unavailable
16
BOLT, FLANGE(4MY)
95027-06012-00
Unavailable
17
O-RING (15A)
93211-06635-00
Unavailable
18
BOLT,SOCKET
91317-06025-00
Unavailable
19
PIPE, BREATHER 1
3C2-E1166-00-00
Unavailable
20
CLIP
90467-140A4-00
Unavailable
21
CLAMP
90464-39800-00
Unavailable
22
COVER, CYLINDER HEAD SIDE 2
2NL-11186-12-00
Unavailable
23
O-RING
93210-57634-00
Unavailable
24
BOLT,SOCKET
91317-06020-00
Unavailable
25
PLATE
5GH-1111F-00-00
Unavailable
26
BOLT, HEXAGON
97017-06012-00
Unavailable
27
WASHER, LOCK
90215-06003-00
Unavailable
28
DR8EA NGK SPLUG 10PK
DR8-EA000-00-00
Unavailable
