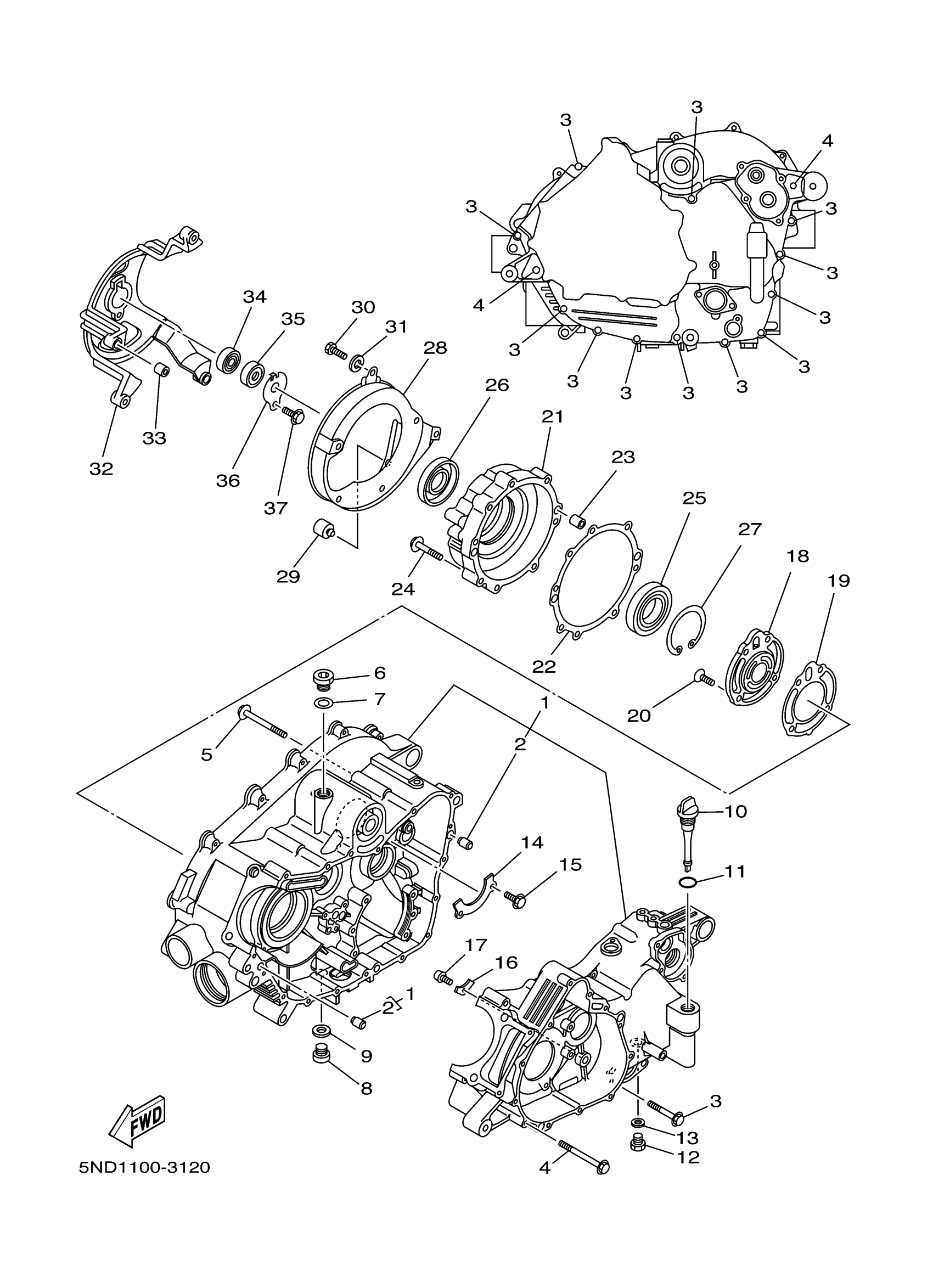
Yamaha YFM45FGOHW (GRIZZLY 450 OUTDOORSMAN EDITION) 1D9S 2007 CRANKCASE Diagram
#
Description
Price
1
CRANKCASE ASSY
5ND-15100-02-00
Unavailable
10
PLUG, OIL LEVEL
5GH-15362-00-00
Unavailable
16
PLATE, BEARING COVER
4XM-15383-00-00
Unavailable
17
SCREW, COUNTERSUNK (4H7)
90151-06014-00
Unavailable
18
COVER, AIR CLEANER
5GH-15414-00-00
Unavailable
19
GASKET 1
5GH-15454-00-00
Unavailable
20
SCREW, FLAT
98707-06020-00
Unavailable
21
HOUSING, BEARING 1
5GH-15163-00-00
Unavailable
22
GASKET, CARBURETOR COVER 2
5GH-15463-00-00
Unavailable
25
BEARING
93316-01003-00
Unavailable
26
OIL SEAL
93102-32483-00
Unavailable
27
CIRCLIP (70R)
93420-80066-00
Unavailable
28
COVER
5GH-15333-00-00
Unavailable
29
DAMPER, ENGINE MOUNT 5
5GH-15338-00-00
Unavailable
30
BOLT, HEXAGON
97017-06016-00
Unavailable
31
WASHER(6TA)
92907-06600-00
Unavailable
32
HOUSING, BEARING
5GH-15442-01-00
Unavailable
33
PIN, DOWEL
91810-20001-00
Unavailable
34
BEARING(82M)
93306-20117-00
Unavailable
35
OIL SEAL
93101-12168-00
Unavailable
36
PLATE, BEARING COVER
4WV-15381-00-00
Unavailable
37
BOLT, FLANGE(4MY)
95027-06012-00
Unavailable
