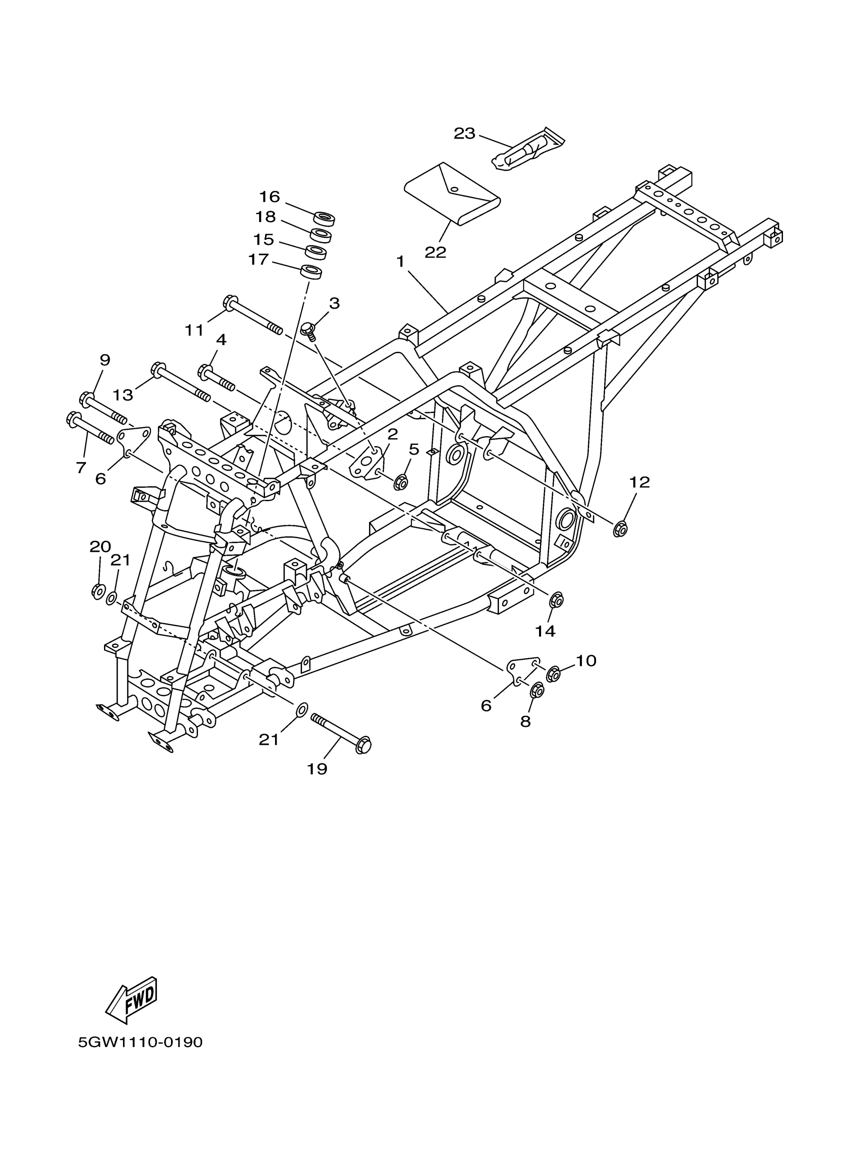
Yamaha YFM400MC (BIG BEAR 2WD) 5GW2 2000 FRAME Diagram
#
Description
Price
1
FRAME COMP.
5FU-F1110-00-00
Unavailable
2
STAY, ENGINE 2
5FU-F1315-01-00
Unavailable
6
STAY, ENGINE 3
5FU-F1316-01-00
Unavailable
7
BOLT, FLANGE
9581P-08085-00
Unavailable
9
BOLT, FLANGE
90105-10844-00
Unavailable
16
OIL SEAL (25X44X6-810)
93102-25081-00
Unavailable
17
OIL SEAL (25X36X8-334)
93102-25099-00
Unavailable
18
HOLDER, BEARING
2GU-23872-00-00
Unavailable
19
. BOLT, FLANGE
90105-108A9-00
Unavailable
21
WASHER, PLATE(47X)
90201-101J1-00
Unavailable
22
TOOL KIT (24W-28100-00)
59V-28100-00-00
Unavailable
23
GAUGE, AIR
1NV-2811A-01-00
Unavailable
