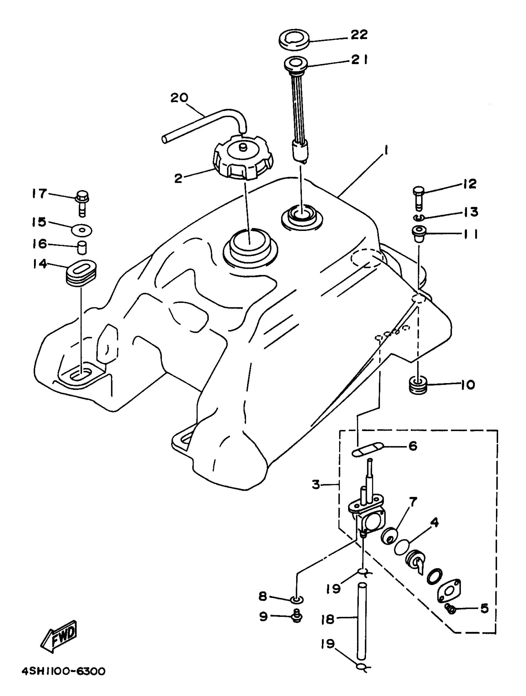
Yamaha YFM400FWK (KODIAK 4WD) 4SHB 1998 FUEL TANK Diagram
#
Description
Price
1
FUEL TANK COMP.
4SH-24110-02-00
Unavailable
16
COLLAR (1T2)
90387-07598-00
Unavailable
17
BOLT, WITH WASHER (24X)
90119-06073-00
Unavailable
18
HOSE (L400)
90445-116K9-00
Unavailable
19
CLIP
90467-100A1-00
Unavailable
20
HOSE (L600)
90445-083J5-00
Unavailable
21
FUEL METER ASSY
4SH-24260-11-00
Unavailable
22
HOUSING, FUEL METER
4SH-24261-00-00
Unavailable
