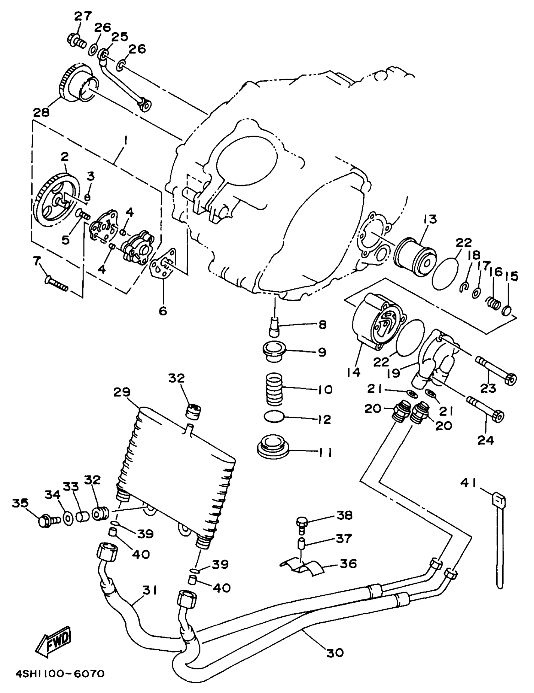
Yamaha YFM400FWH_MNH (KODIAK 4WD) 4SH1 1996 OIL PUMP Diagram
#
1
OIL PUMP ASSY
1UY-13300-00-00
Unavailable
2
GEAR, PUMP DRIVEN 2
1UY-13326-00-00
Unavailable
14
PLATE, ADAPTOR
1YW-13461-01-00
Unavailable
16
SPRING, COMPRESSION(1YW)
90501-082E3-00
Unavailable
17
WASHER(6TA)
92907-06600-00
Unavailable
18
CIRCLIP(1YW)
93420-13073-00
Unavailable
19
COVER, OIL ELEMENT
1YW-13447-00-00
Unavailable
20
JOINT
1S3-13132-00-00
Unavailable
21
GASKET 256131670000
90430-14043-00
Unavailable
22
O-RING (4X7)
93210-54452-00
Unavailable
23
BOLT, SOCKET
91317-06065-00
Unavailable
24
BOLT(1YW)
90109-061E7-00
Unavailable
25
PIPE, DELIVERY 1
1UY-13161-01-00
Unavailable
26
WASHER, PLATE 3411117500
90201-08087-00
Unavailable
27
BOLT, UNION
90401-08004-00
Unavailable
28
GEAR, PUMP DRIVE
4GB-13324-00-00
Unavailable
29
OIL COOLER ASSY
4WV-13470-00-00
Unavailable
30
HOSE, OIL 1
4SH-13464-00-00
Unavailable
31
HOSE, OIL 2
4SH-13465-00-00
Unavailable
32
GROMMET(2GH)
90480-12475-00
Unavailable
33
COLLAR
90387-06113-00
Unavailable
34
WASHER
90209-06012-00
Unavailable
35
BOLT, FLANGE
95817-06020-00
Unavailable
36
CLAMP (4K0)
90462-10066-00
Unavailable
37
COLLAR (1T2)
90387-07598-00
Unavailable
38
BOLT
90101-06091-00
Unavailable
39
O-RING (256)
93210-12152-00
Unavailable
40
PIN, DOWEL(4XL)
93612-16254-00
Unavailable
41
BAND
1UA-82591-00-00
Unavailable
