Partiron

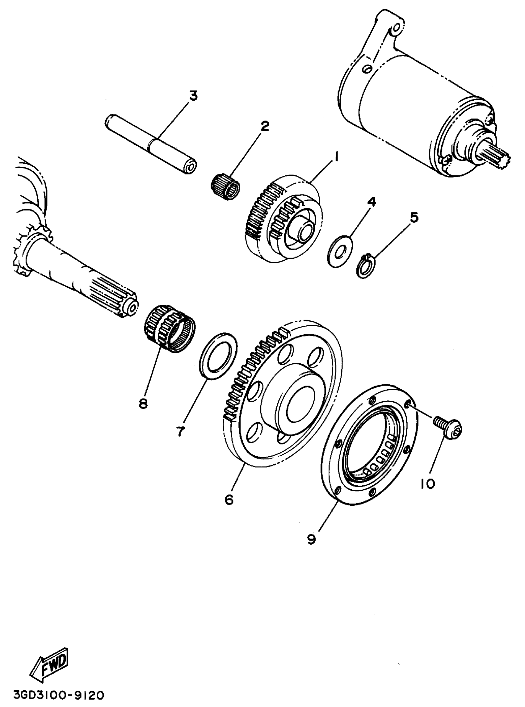
Yamaha YFM400FWF (KODIAK 4WD) 4GB5 1994 STARTER CLUTCH Diagram

#

Description
Price

1

GEAR, IDLER 1

1UY-15512-00-00

$120.99

2

BEARING (30W)

93310-212L6-00

Unavailable

3

SHAFT 1

1UY-15521-02-00

$22.99

4

WASHER, PLATE(52W)

90201-123K4-00

$10.49

5

CIRCLIP(10Y)

99009-12400-00

$3.59

6

GEAR, IDLER 2

1UY-15517-01-00

$206.99

7

WASHER PLATE 371115580000

90201-25291-00

$10.49

8

BEARING, CYLINDRICAL(51Y)

93310-225N0-00

$45.99

9

STARTER ONE-WAY ASSY

5KM-15590-00-00

$212.99

10

BOLT, BUTTON

92017-08016-00

$5.60