Yamaha YFM400FWF (KODIAK 4WD) 4GB5 1994 FRAME Diagram
#
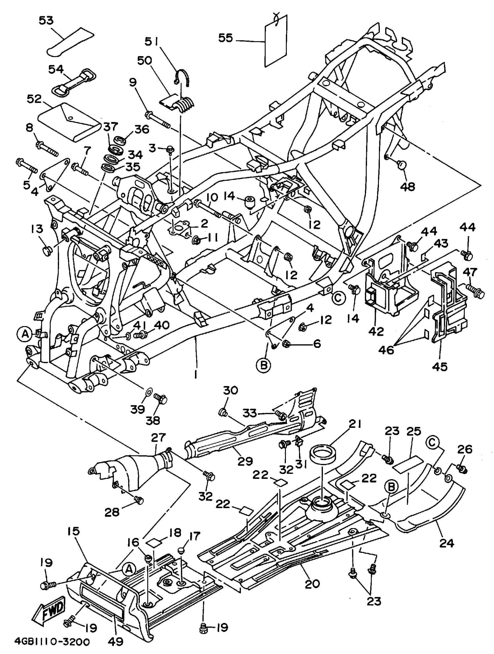
1
FRAME KIT (4GB211100033)
99999-02876-00
Unavailable
2
STAY, ENGINE 2
4GB-21315-00-00
Unavailable
4
STAY,ENGINE 3
3HN-21316-00-00
Unavailable
10
BOLT, WASHER BASED(1KT)
90105-10409-00
Unavailable
14
STOPPER, MAIN STAND
1J7-27114-00-00
Unavailable
15
GUARD, ENGINE 1
4GB-2147A-00-00
Unavailable
16
STOPPER, MAIN STAND
116-27114-00-00
Unavailable
17
STOPPER, MAIN STAND
128-27114-00-00
Unavailable
18
DAMPER, LOCATING 1
27V-24181-00-00
Unavailable
20
PROTECTOR, ENGINE
3HN-21471-00-00
Unavailable
21
. STOPPER, MAIN STAND
3HN-27114-00-00
Unavailable
22
DAMPER, LOCATING 1
27V-24181-00-00
Unavailable
24
STAY, TRANSFER
2HR-2147H-00-00
Unavailable
25
DAMPER 2
38V-21486-00-00
Unavailable
27
COVER, SHAFT 1
3HN-2147J-10-00
Unavailable
28
BOLT, FLANGE
95817-06012-00
Unavailable
29
COVER, SHAFT 2
3HN-2147K-01-00
Unavailable
30
DAMPER, LOCATING 1
22W-24181-00-00
Unavailable
31
CLAMP
90465-06176-00
Unavailable
32
BOLT, FLANGE
95817-06012-00
Unavailable
33
BOLT,SOCKET
91314-06050-00
Unavailable
34
BEARING
93306-20348-00
Unavailable
35
OIL SEAL (25X36X8-334)
93102-25099-00
Unavailable
36
OIL SEAL (25X44X6-810)
93102-25081-00
Unavailable
37
HOLDER, BEARING
2GU-23872-00-00
Unavailable
38
BOLT, FLANGE(3GD)
95817-10025-00
Unavailable
39
WASHER PLATE (3L6)
90201-08759-00
Unavailable
40
BOLT(3HN)
97017-08045-00
Unavailable
41
WASHER, PLATE(3XP)
90201-083P5-00
Unavailable
42
BOX
1YW-21170-01-00
Unavailable
43
COVER 2
3FC-2139R-00-00
Unavailable
44
BOLT, FLANGE
95817-06012-00
Unavailable
45
BOX
24W-21245-00-00
Unavailable
46
COVER 2
3FC-2139R-00-00
Unavailable
47
BOLT, WITH WASHER
90119-06152-00
Unavailable
48
STOPPER
30X-24768-00-00
Unavailable
49
EMBLEM 2
4GB-2118F-00-00
Unavailable
50
DAMPER, LOCATING 1
2HR-24181-00-00
Unavailable
51
BAND
1UA-82591-00-00
Unavailable
52
TOOL KIT
3GH-28100-00-00
Unavailable
53
GAUGE, AIR
1NV-2811A-01-00
Unavailable
54
BAND, TOOL
21V-21376-00-00
Unavailable
55
TAG, WARNING
3GH-2819R-00-00
Unavailable
