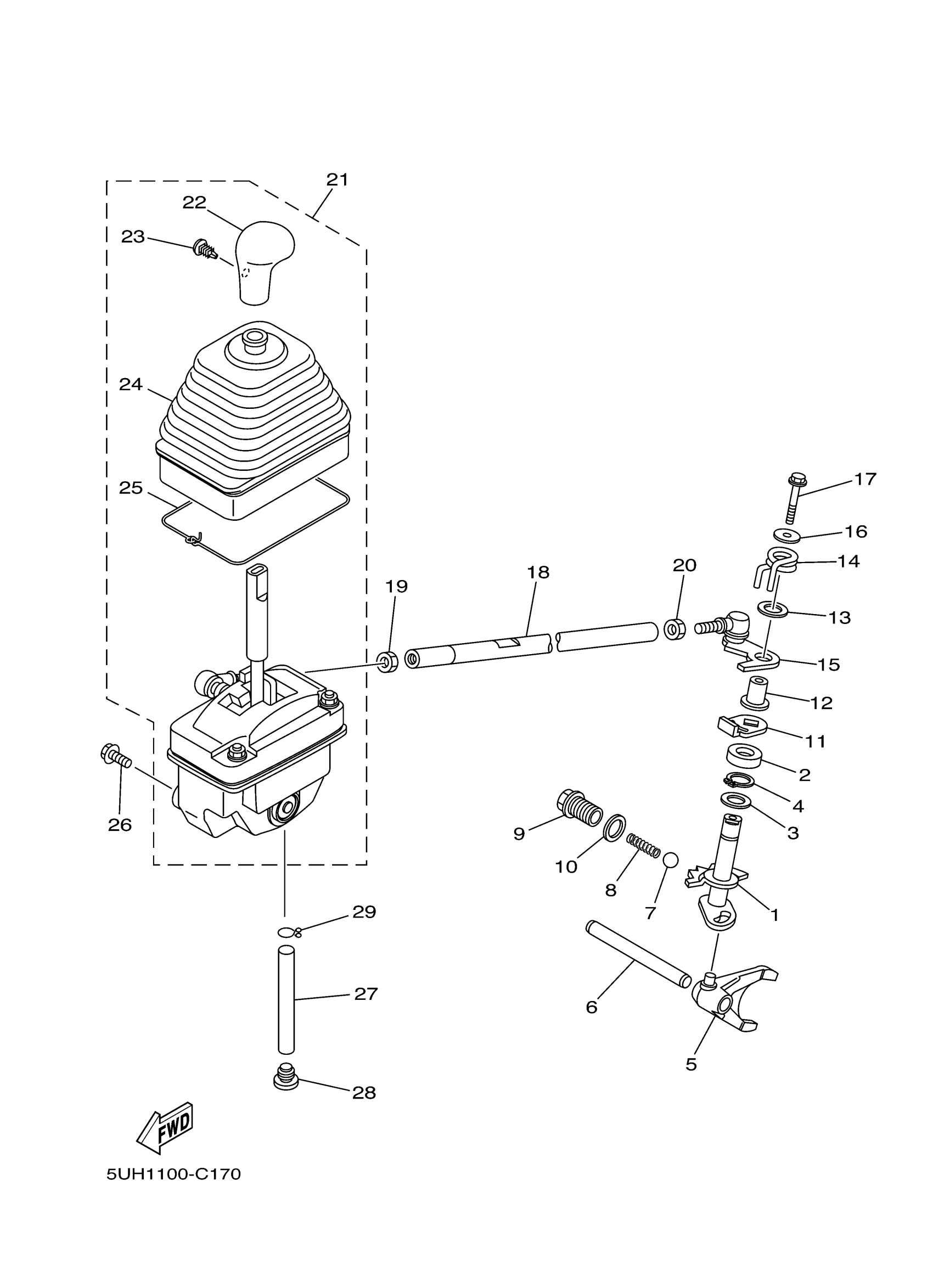
Yamaha YFM35FAT (BRUIN 350 4X4) 5UH6 2005 SHIFT SHAFT Diagram
#
Description
Price
1
SHIFT SHAFT COMP.
5UH-18103-00-00
Unavailable
6
BAR, SHIFT FORK GUID 2
2A6-18535-00-00
Unavailable
15
LEVER
5UH-18191-00-00
Unavailable
16
WASHER, PLATE
90201-06M02-00
Unavailable
17
BOLT, FLANGE
95817-06035-00
Unavailable
18
ROD, SHIFT
5UH-18115-01-00
Unavailable
19
NUT(1KT)
90170-08358-00
Unavailable
20
NUT, HEXAGON SMALL
95317-08700-00
Unavailable
21
SHIFTER ASSY
5UH-18300-02-00
Unavailable
22
KNOB, SHIFT LEVER
5TE-18174-00-00
Unavailable
23
RIVET(81E)
90269-05055-00
Unavailable
24
BOOTS, SEALING
5GH-18131-00-00
Unavailable
25
STOPPER, RUBBER
5GH-18617-00-00
Unavailable
26
BOLT, FLANGE(8AB)
95817-08020-00
Unavailable
27
HOSE
90446-16001-00
Unavailable
28
PLUG, DRAIN
5UH-E4191-00-00
Unavailable
29
CLIP (806-24358-00)
90467-15012-00
Unavailable
