Yamaha YFM35BAT (BRUIN 2WD) 5WH4 2005 ALTERNATE FOR METER Diagram
#
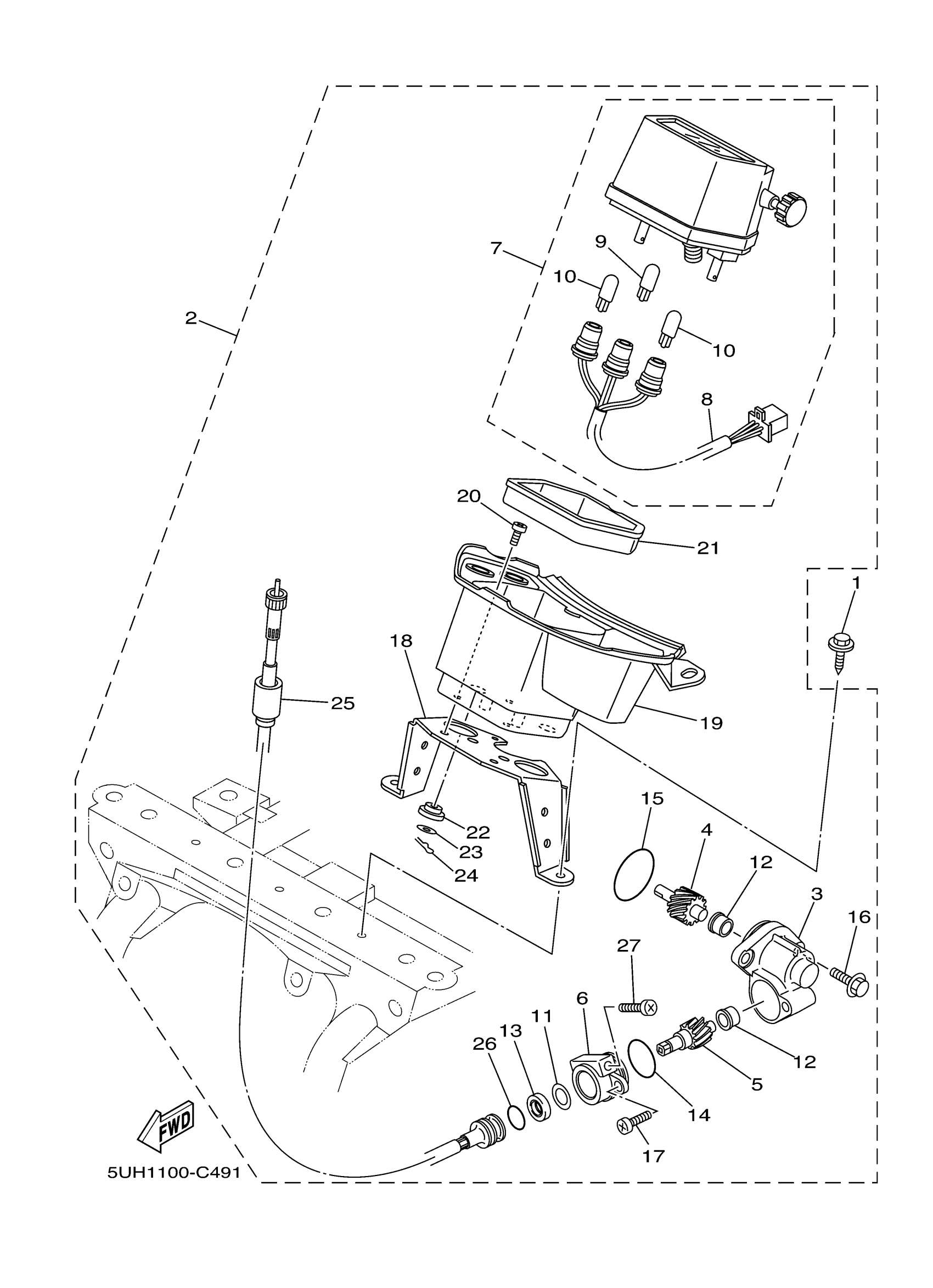
Description
Price
2
BRUIN SPEEDOMETER KIT
5UH-W0081-00-KT
Unavailable
3
HOUSING, TACHOMETER GEAR
4WV-17811-00-00
Unavailable
5
GEAR, DRIVEN
4WV-17841-00-00
Unavailable
7
SPEEDOMETER ASSY
4SH-83570-01-00
Unavailable
8
SOCKET, METER
4SH-83536-00-00
Unavailable
9
BULB, MTR.12V3.4W
4G1-84744-00-XX
Unavailable
11
WASHER (692)
90201-12M34-00
Unavailable
16
. BOLT, FLANGE
95027-06020-00
Unavailable
17
SCREW, PAN HEAD(3TJ)
98507-06016-00
Unavailable
18
. BRKT, METER
5UH-F834L-00-00
Unavailable
19
PANEL, CONSOLE 1
5UH-F837L-11-00
Unavailable
20
SCREW, PAN HEAD(3LA)
98517-05010-00
Unavailable
21
. DAMPER
5UH-H252R-00-00
Unavailable
22
DAMPER 2
1M1-83526-01-00
Unavailable
23
WASHER, SPECIAL
4X8-83524-00-00
Unavailable
24
CLIP (156-83525-00)
90468-10050-00
Unavailable
25
SPEEDOMETER CABLE
5VH-H3550-01-00
Unavailable
26
O-RING (26H)
93210-14579-00
Unavailable
27
SCREW, PAN
98517-06030-00
Unavailable
