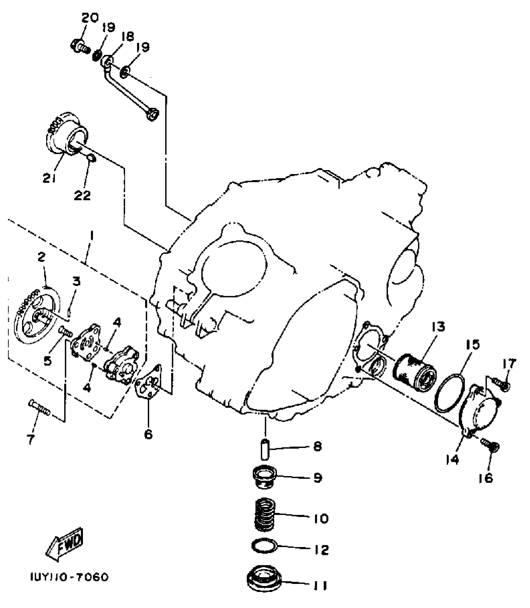
Yamaha YFM350XT (WARRIOR) 1UY 1987 OIL PUMP Diagram
#
Description
Price
1
OIL PUMP ASSY
1UY-13300-00-00
Unavailable
2
GEAR, PUMP DRIVEN 2
1UY-13326-00-00
Unavailable
14
COVER, OIL ELEMENT (1UY-13447-00)
1UY-13447-01-00
Unavailable
16
BOLT,SOCKET HEAD
91314-06020-00
Unavailable
17
BOLT,SOCKET
91317-06020-00
Unavailable
18
PIPE, DELIVERY 1
1UY-13161-01-00
Unavailable
19
WASHER, PLATE 3411117500
90201-08087-00
Unavailable
20
BOLT, UNION
90401-08004-00
Unavailable
21
GEAR, PUMP DRIVE
1UY-13324-00-00
Unavailable
22
KEY, WOODRUFF
90280-05001-00
Unavailable
