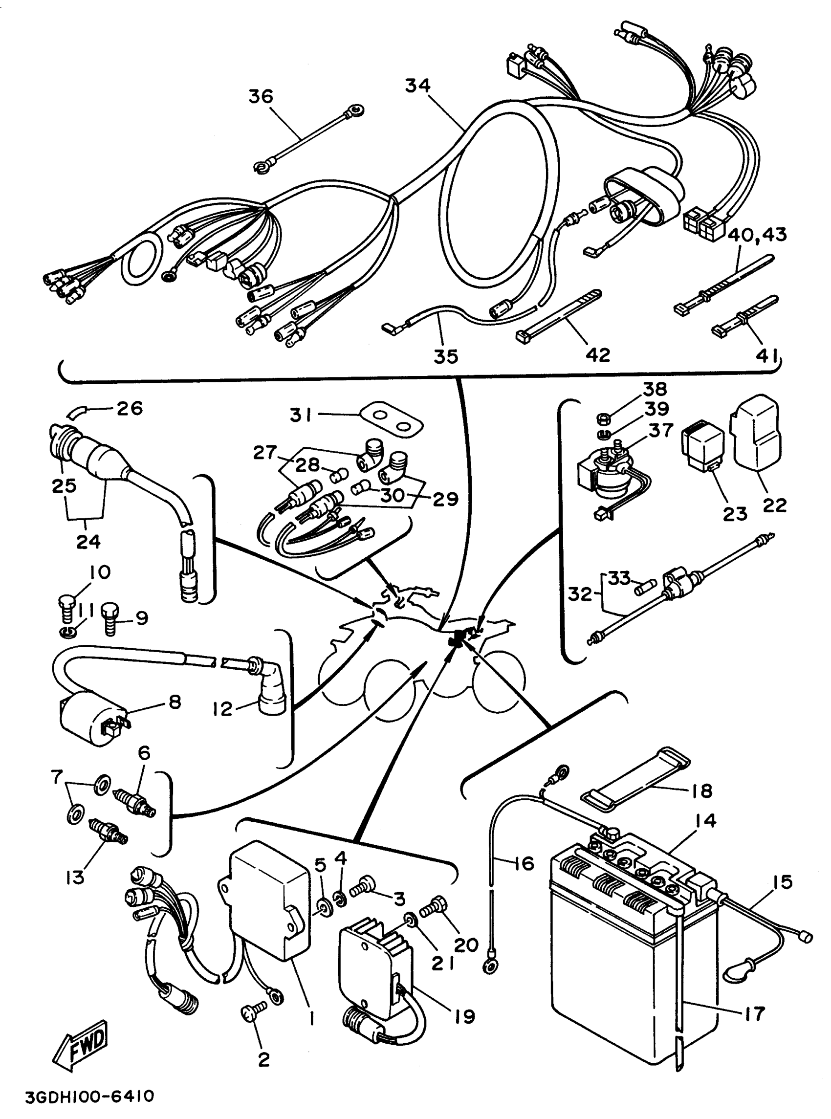
Yamaha YFM350XH (WARRIOR) 3GDH 1996 ELECTRICAL 1 Diagram
#
1
C.D.I. UNIT ASSEMBLY
3GD-85540-30-00
Unavailable
14
ACB12CA GS BATTERY WET PACK
ACB-12CA0-00-00
Unavailable
16
WIRE, MINUS LEAD
3GD-82116-00-00
Unavailable
17
HOSE (L1500)
90445-084J0-00
Unavailable
18
BAND, BATTERY
337-82131-00-00
Unavailable
19
RECTIFIER & REGULATOR ASSY
4KB-81960-02-00
Unavailable
22
RELAY ASSY (29U-93)
29U-81950-93-00
Unavailable
23
RELAY ASSY (3GD-01)
3GD-81950-01-00
Unavailable
24
MAIN SWITCH ASSY
4GB-82510-12-00
Unavailable
25
CAP, KEY
3HN-82579-00-00
Unavailable
26
LABEL
29U-83585-10-00
Unavailable
27
PILOT LIGHT ASSY
24W-83530-10-00
Unavailable
28
BULB (12V3.4W)
123-83516-21-XX
Unavailable
29
PILOT LIGHT ASSY
52G-83530-10-00
Unavailable
30
BULB (12V3.4W)
123-83516-21-XX
Unavailable
31
LABEL
1UY-83585-00-00
Unavailable
32
FUSE HOLDER ASSY
1UY-82150-00-00
Unavailable
33
FUSE (15A)
1UY-82151-00-00
Unavailable
34
WIRE HARNESS ASSEMBLY
3GD-82590-30-00
Unavailable
35
WIRE, LEAD
3HN-82541-00-00
Unavailable
36
WIRE, SUB LEAD
3GD-82509-10-00
Unavailable
37
STARTER RELAY ASSY (MS5D-611)
4KD-81940-00-00
Unavailable
38
NUT(JN5)
95317-06700-00
Unavailable
40
BAND, SWITCH CORD
437-83936-01-00
Unavailable
41
BAND, SWITCH CORD
437-83936-11-00
Unavailable
42
CLAMP
1UY-82591-00-00
Unavailable
43
BAND, SWITCH CORD
437-83936-01-00
Unavailable
