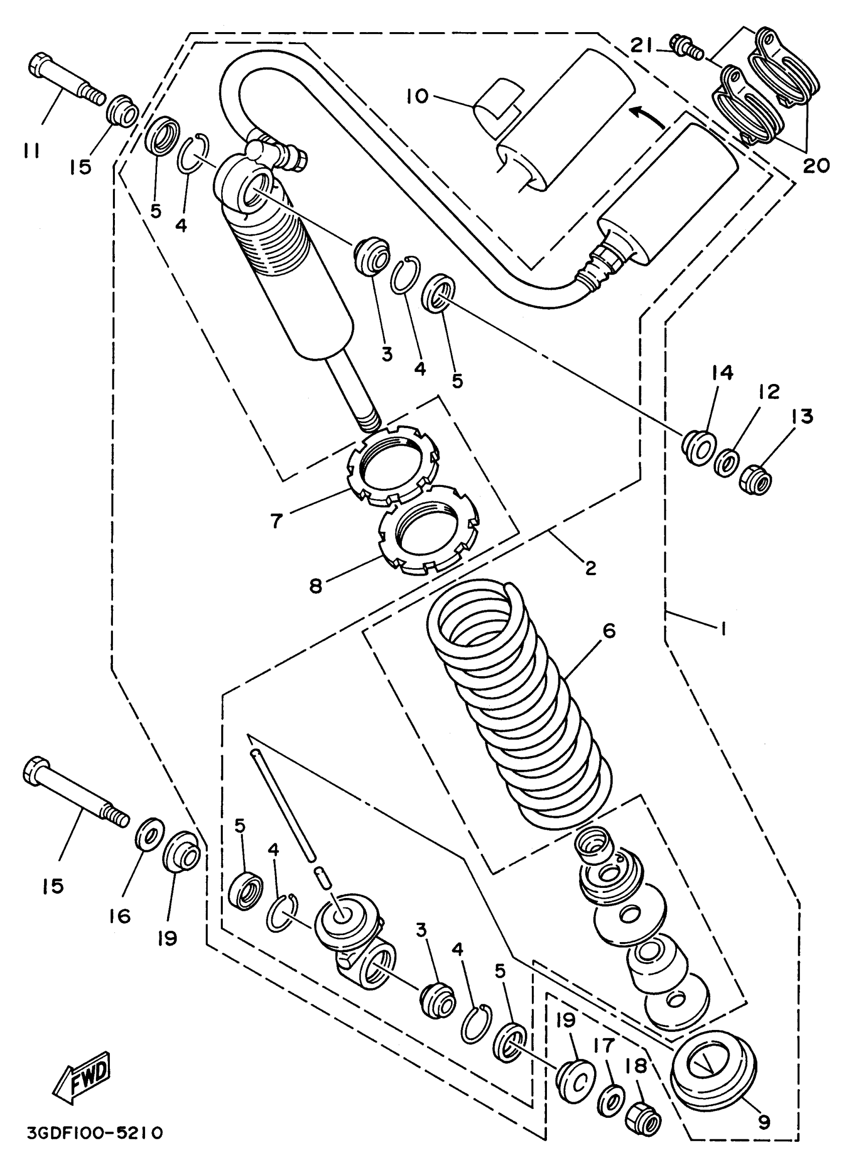
Yamaha YFM350XH_MNH (WARRIOR) 3GDH 1996 REAR SUSPENSION Diagram
#
Description
Price
1
SHOCK ABSORBER ASSY, REAR
2XK-22210-11-6W
Unavailable
2
DAMPER SUB ASSY
2XK-22201-01-00
Unavailable
6
. SPRING (38W-22212-10-6W)
38W-22212-10-P1
Unavailable
10
. LABEL, WARNING
4AA-22259-00-00
Unavailable
11
BOLT
90109-10704-00
Unavailable
16
WASHER, PLATE
90201-12027-00
Unavailable
17
WASHER, PLATE(6TC)
90201-10M05-00
Unavailable
19
COLLAR (23X)
90387-126H8-00
Unavailable
20
HOLDER, SUB TANK
1UY-22262-00-00
Unavailable
21
BOLT, FLANGE
95817-06016-00
Unavailable
