Yamaha YFM350XG (WARRIOR) 3GDF 1995 ELECTRICAL 1 Diagram
#
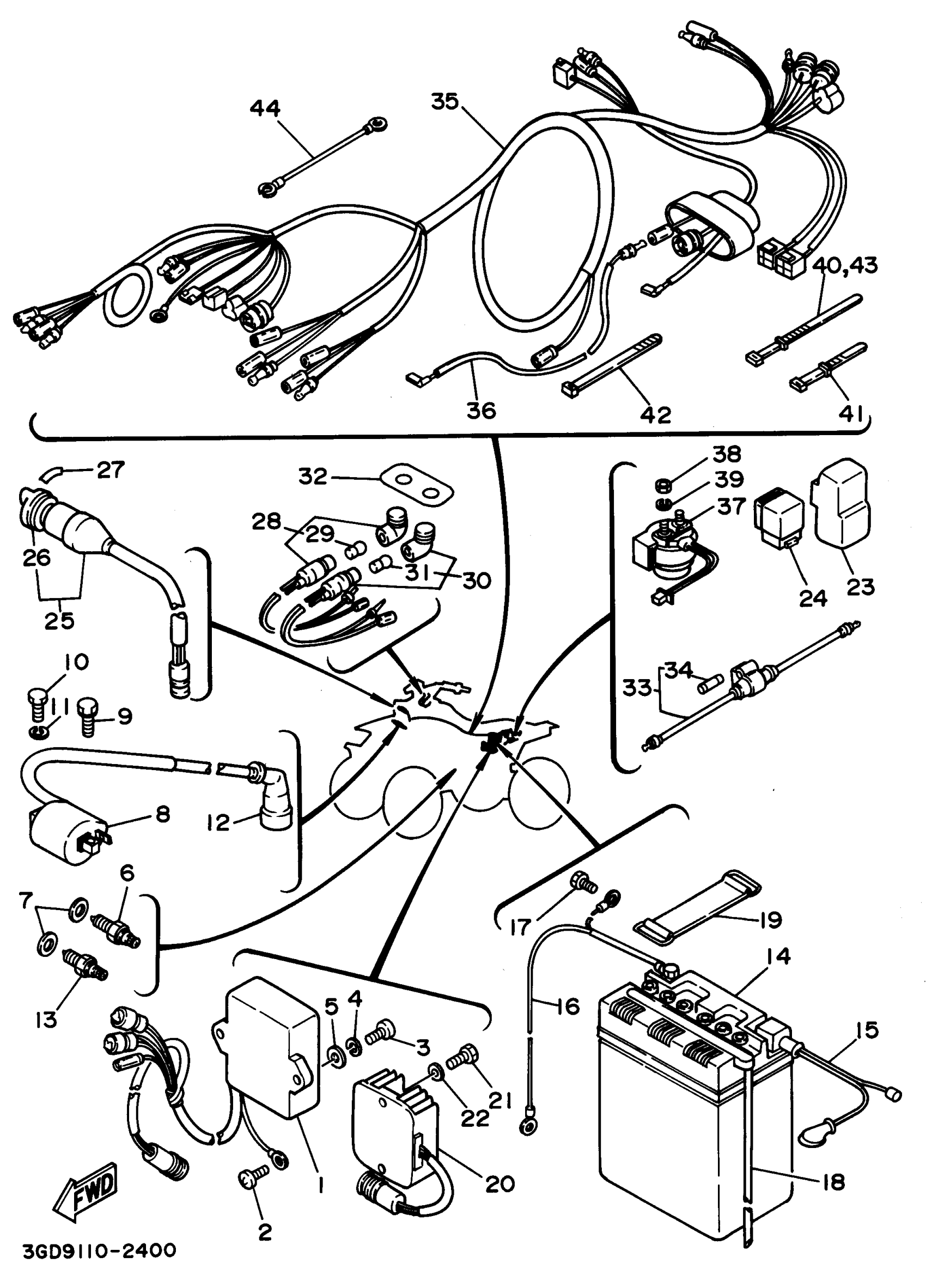
1
C.D.I. UNIT ASSEMBLY
3GD-85540-20-00
Unavailable
14
ACB12CA GS BATTERY WET PACK
ACB-12CA0-00-00
Unavailable
16
WIRE, MINUS LEAD
3GD-82116-00-00
Unavailable
17
SCREW (5G3)
90153-06034-00
Unavailable
18
HOSE (L1500)
90445-084J0-00
Unavailable
19
BAND, BATTERY
337-82131-00-00
Unavailable
20
RECTIFIER & REGULATOR ASSEMBLY
59V-81960-A0-00
Unavailable
21
BOLT, HEXAGON
97017-06016-00
Unavailable
23
RELAY ASSY (29U-93)
29U-81950-93-00
Unavailable
24
RELAY ASSY (3GD-01)
3GD-81950-01-00
Unavailable
25
MAIN SWITCH ASSY
2FJ-82510-09-00
Unavailable
26
CAP, KEY
3HN-82579-00-00
Unavailable
27
LABEL
29U-83585-10-00
Unavailable
28
PILOT LIGHT ASSY
24W-83530-10-00
Unavailable
29
BULB (12V-3.4W)
123-83516-21-00
Unavailable
30
PILOT LIGHT ASSY
52G-83530-10-00
Unavailable
31
BULB (12V-3.4W)
123-83516-21-00
Unavailable
32
LABEL
1UY-83585-00-00
Unavailable
33
FUSE HOLDER ASSY
1UY-82150-00-00
Unavailable
34
FUSE (15A)
1UY-82151-00-00
Unavailable
35
WIRE HARNESS ASSEMBLY
3GD-82590-20-00
Unavailable
36
WIRE, LEAD
3HN-82541-00-00
Unavailable
37
STARTER RELAY ASSY (MS5D-611)
4KD-81940-00-00
Unavailable
38
NUT(JN5)
95317-06700-00
Unavailable
40
BAND, SWITCH CORD
437-83936-01-00
Unavailable
41
BAND, SWITCH CORD
437-83936-11-00
Unavailable
42
CLAMP
1UY-82591-00-00
Unavailable
43
BAND, SWITCH CORD
437-83936-01-00
Unavailable
44
WIRE, SUB LEAD
3GD-82509-10-00
Unavailable
45
KEY, BLANK (A-TYPE)
90890-56001-00
Unavailable
46
KEY, BLANK (B-TYPE)
90890-56002-00
Unavailable
