Partiron

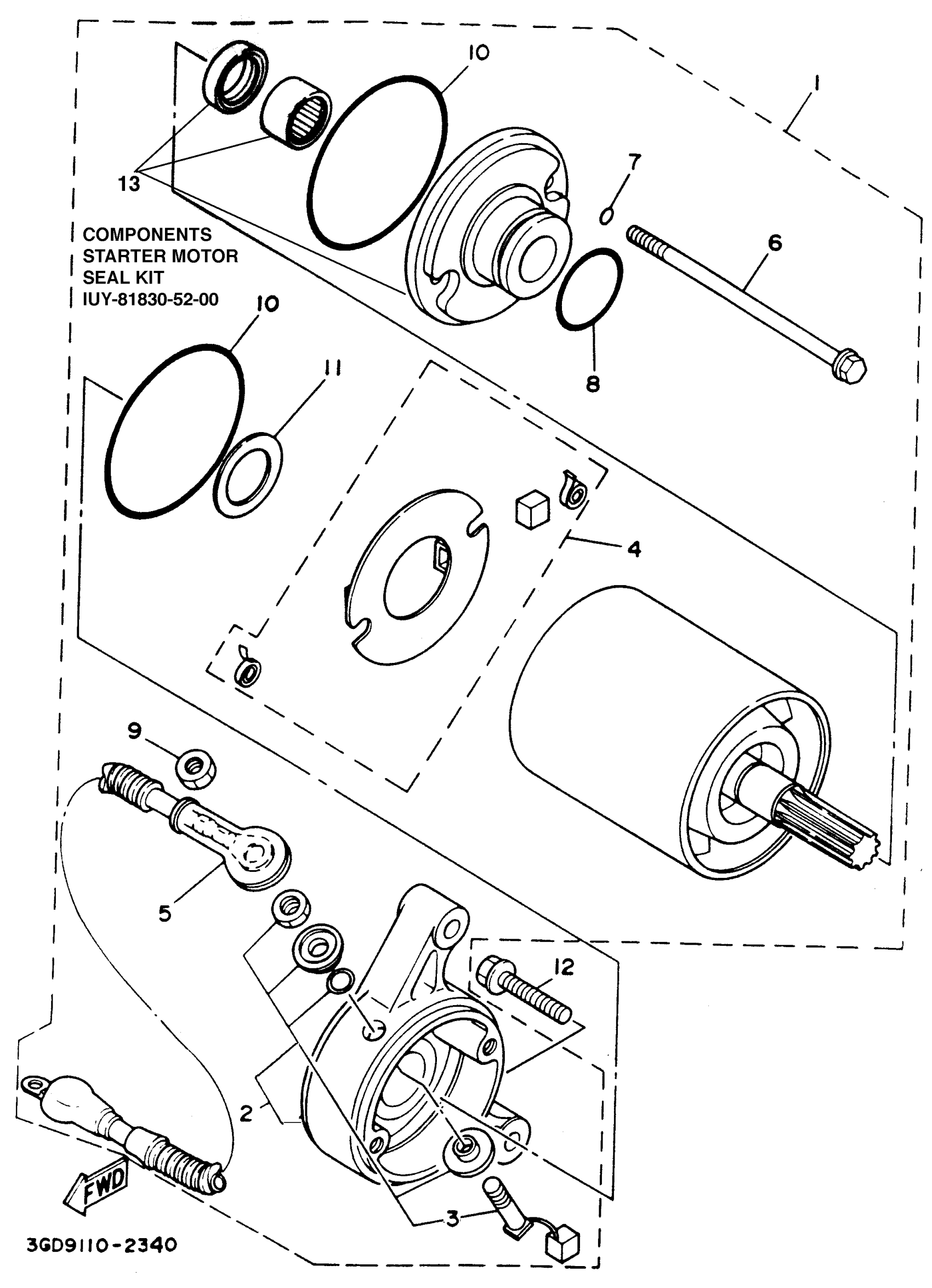
Yamaha YFM350XF (WARRIOR) 3GDD 1994 STARTING MOTOR Diagram

#

Description
Price

1

STARTING MOTOR UNIT

1UY-81890-00-00

Unavailable

2

TERM1NAL SET

1UY-81820-51-00

Unavailable

3

TERMINAL SET

1UY-81818-50-00

Unavailable

4

BRUSH HOLDER ASSY

8L6-81840-51-00

$82.99

5

BOLT

3GD-81826-00-00

$28.99

6

O-RING

8L6-81847-50-00

$3.28

7

O-RING (437)

93210-24235-00

$7.49

8

O-RING

4H7-81844-00-00

Unavailable

9

WASHER 1

4H7-81843-50-00

$3.90

10

CORD, STARTER MOTOR

4SH-81815-00-00

Unavailable

11

NUT, HEXAGON

95380-06600-00

Unavailable

12

BOLT, FLANGE(4AS)

95024-06030-00

$8.49

13

STARTER MOTOR SEAL KIT

1UY-81830-52-00

Unavailable