Partiron

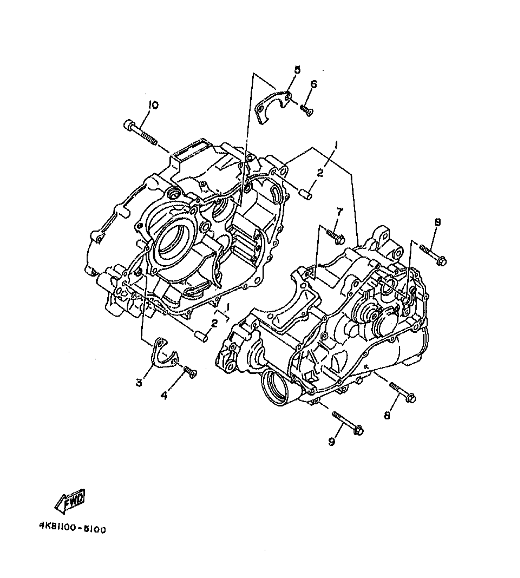
Yamaha YFM350ULC (BIG BEAR 2WD) 5FE2 1999 CRANKCASE Diagram

#

Description
Price

1

CRANKCASE ASSY

5FE-15100-03-00

Unavailable

2

PIN, DOWEL(3VD)

99530-10114-00

$2.55

3

PLATE, BEARING COVER

1UY-15383-00-00

Unavailable

4

SCREW, FLAT HEAD(4EM)

98707-06016-00

$8.49

5

PLATE, BEARING COVER

4KB-15383-00-00

$9.99

6

SCREW, FLAT HEAD(4EM)

98707-06016-00

$8.49

7

BOLT, SMALL FLANGE

95027-06030-00

$3.98

8

BOLT, SMALL FLANGE

95027-06050-00

$2.55

9

BOLT, SMALL FLANGE

95027-06060-00

$2.87

10

BOLT, SOCKET

91317-08060-00

$7.49