Partiron

Yamaha YFM350FXLC (WOLVERINE 4WD) 4KBC 1999 GENERATOR Diagram

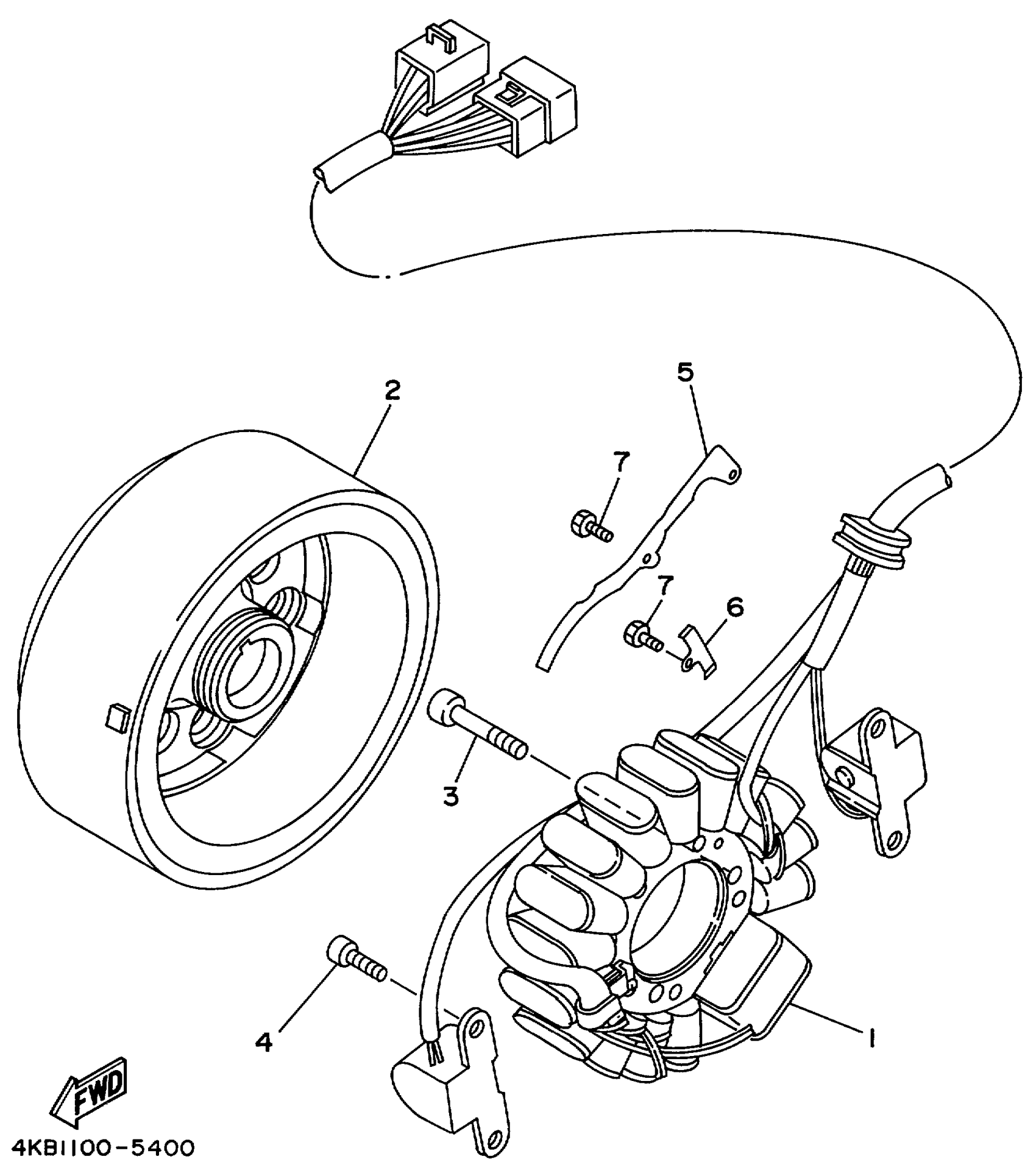
#

Description
Price

1

STATOR ASSEMBLY

4KB-85510-00-00

Unavailable

2

ROTOR ASSEMBLY

4KB-85550-00-00

Unavailable

3

BOLT, SOCKET

91317-05030-00

Unavailable

4

BOLT, SOCKET

91317-05012-00

$2.55

5

PLATE

4KB-15113-00-00

Unavailable

6

STAY, CRANKCASE COVER 1

4KB-1541A-00-00

Unavailable

7

BOLT, SOCKET

91317-05012-00

$2.55