Partiron

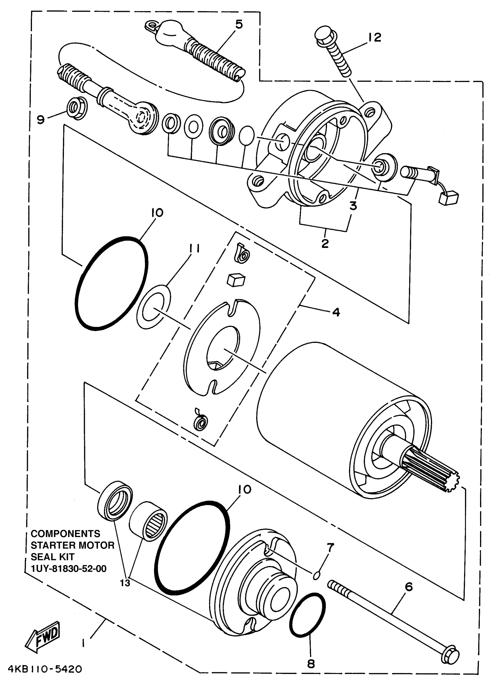
Yamaha YFM350FXH (WOLVERINE 4WD) 4KB3 1996 STARTING MOTOR Diagram

#

Description
Price

1

STARTING MOTOR UNIT

4KB-81890-00-00

$610.99

2

REAR BRACKET ASSY

4KB-81820-00-00

$110.99

3

BLUSH AND BOLT

4KB-81818-00-00

Unavailable

4

BRUSH HOLDER ASSY

4H7-81840-01-00

$82.99

5

. CORD, STARTER MOTOR

4KB-81815-00-00

Unavailable

6

BOLT

3GD-81826-00-00

$28.99

7

O-RING

8L6-81847-50-00

$3.28

8

O-RING (437)

93210-24235-00

$7.49

9

NUT, HEXAGON

95380-06600-00

Unavailable

10

O-RING

4H7-81844-00-00

Unavailable

11

WASHER 1

4H7-81843-50-00

$3.90

12

BOLT, SMALL FLANGE

95027-06030-00

$3.98

13

STARTER MOTOR SEAL KIT

1UY-81830-52-00

Unavailable