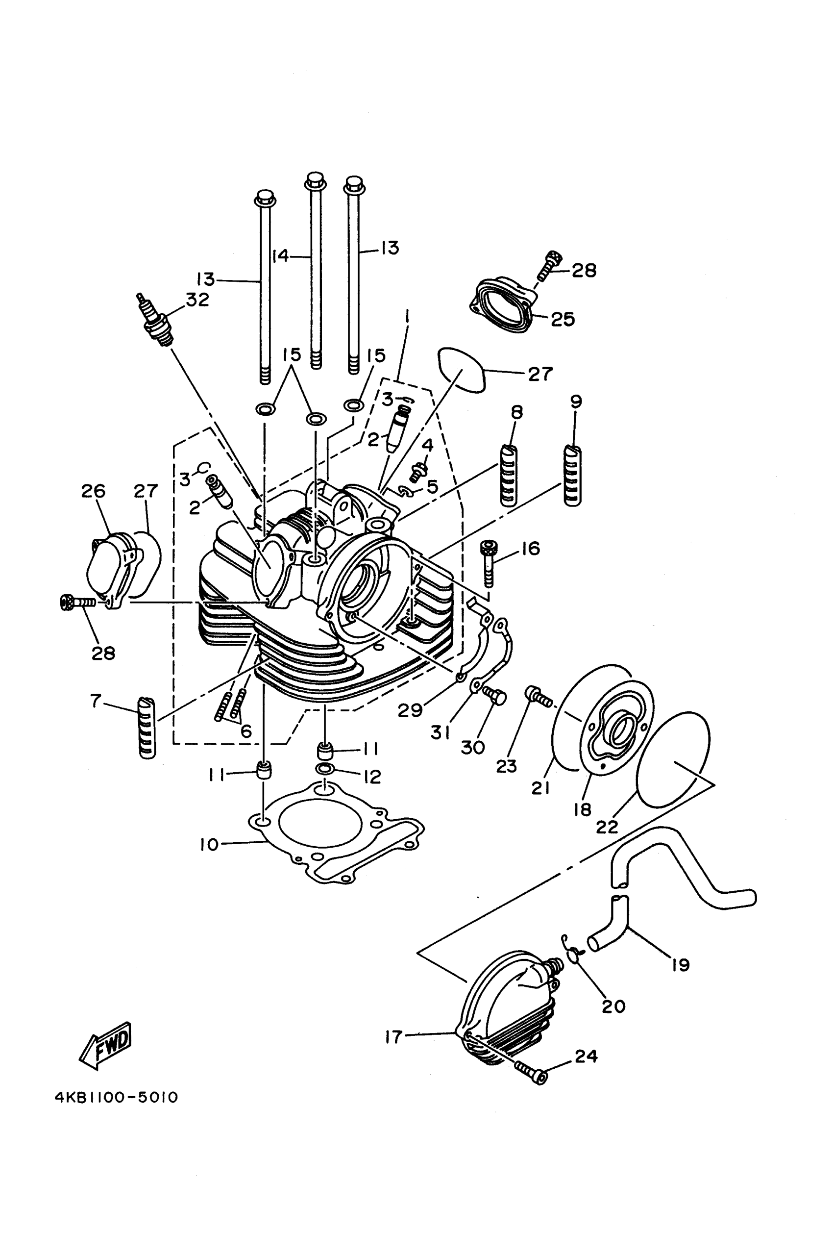
Yamaha YFM350FXH (WOLVERINE 4WD) 4KB3 1996 CYLINDER HEAD Diagram
#
Description
Price
1
CYLINDER HEAD ASSY
1UY-11110-02-00
Unavailable
4
BOLT UNION 137131650000
90401-06001-00
Unavailable
16
BOLT, SOCKET
91317-08050-00
Unavailable
17
BREATHER ASSY
4KB-11160-01-00
Unavailable
18
PLATE, BREATHER
4KB-11165-00-00
Unavailable
19
PIPE, BREATHER 1
4KB-11166-00-00
Unavailable
20
CLIP (371)
90467-14015-00
Unavailable
21
O-RING (15A)
93211-06635-00
Unavailable
22
O-RING (4X7)
93210-92448-00
Unavailable
23
BOLT, BUTTON HEAD
92017-06012-00
Unavailable
24
BOLT,SOCKET
91317-06025-00
Unavailable
25
COVER, CYLINDER HEAD SIDE 2
3Y1-11186-10-00
Unavailable
26
COVER, CYLINDER HEAD SIDE 3
2NL-11187-11-00
Unavailable
27
O-RING
93210-57634-00
Unavailable
28
BOLT,SOCKET
91317-06020-00
Unavailable
29
PLATE
3Y1-1111F-00-00
Unavailable
30
BOLT, HEXAGON
97017-06012-00
Unavailable
31
WASHER, LOCK (3Y1)
90215-06162-00
Unavailable
32
PLUG, SPARK (ND X24ES-U)
94701-00181-00
Unavailable
32
D8EA NGK SPLUG 10PK
D8E-A0000-00-00
Unavailable
