Partiron

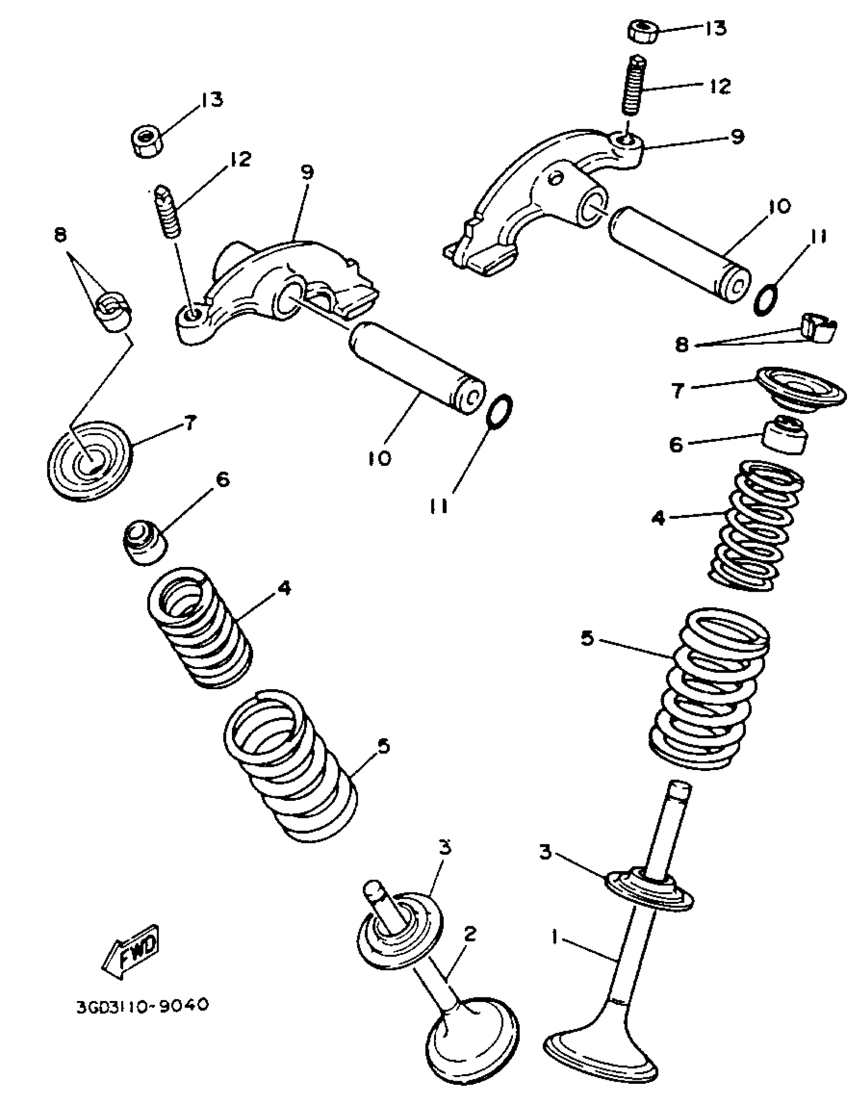
Yamaha YFM350FWE (BIG BEAR 4WD) 3HND 1993 VALVE Diagram

#

Description
Price

1

VALVE, INTAKE

3Y1-12111-01-00

Unavailable

2

VALVE, EXHAUST

3Y1-12121-01-00

$96.99

3

SEAT, VALVE SPRING

3Y1-12116-00-00

$16.49

4

SPRING, VALVE INNER

1UY-12113-01-00

$18.49

5

SPRING, VALVE OUTER

1UY-12114-01-00

$27.99

6

SEAL, VALVE STEM OIL

1J7-12119-01-00

$20.99

7

RETAINER, VALVE SPRING

3Y1-12117-01-00

$17.49

8

LOCK, VALVE SPRING

1J7-12118-00-00

$7.99

9

ARM, VALVE ROCKER

3GD-12151-00-00

$116.99

10

SHAFT, ROCKER

3Y1-12156-00-00

$65.99

11

O-RING (1J7)

93210-09350-00

$7.49

12

SCREW, VALVE ADJUSTING

31G-12159-02-00

$9.99

13

NUT, LOCK

31G-12158-00-00

$6.99