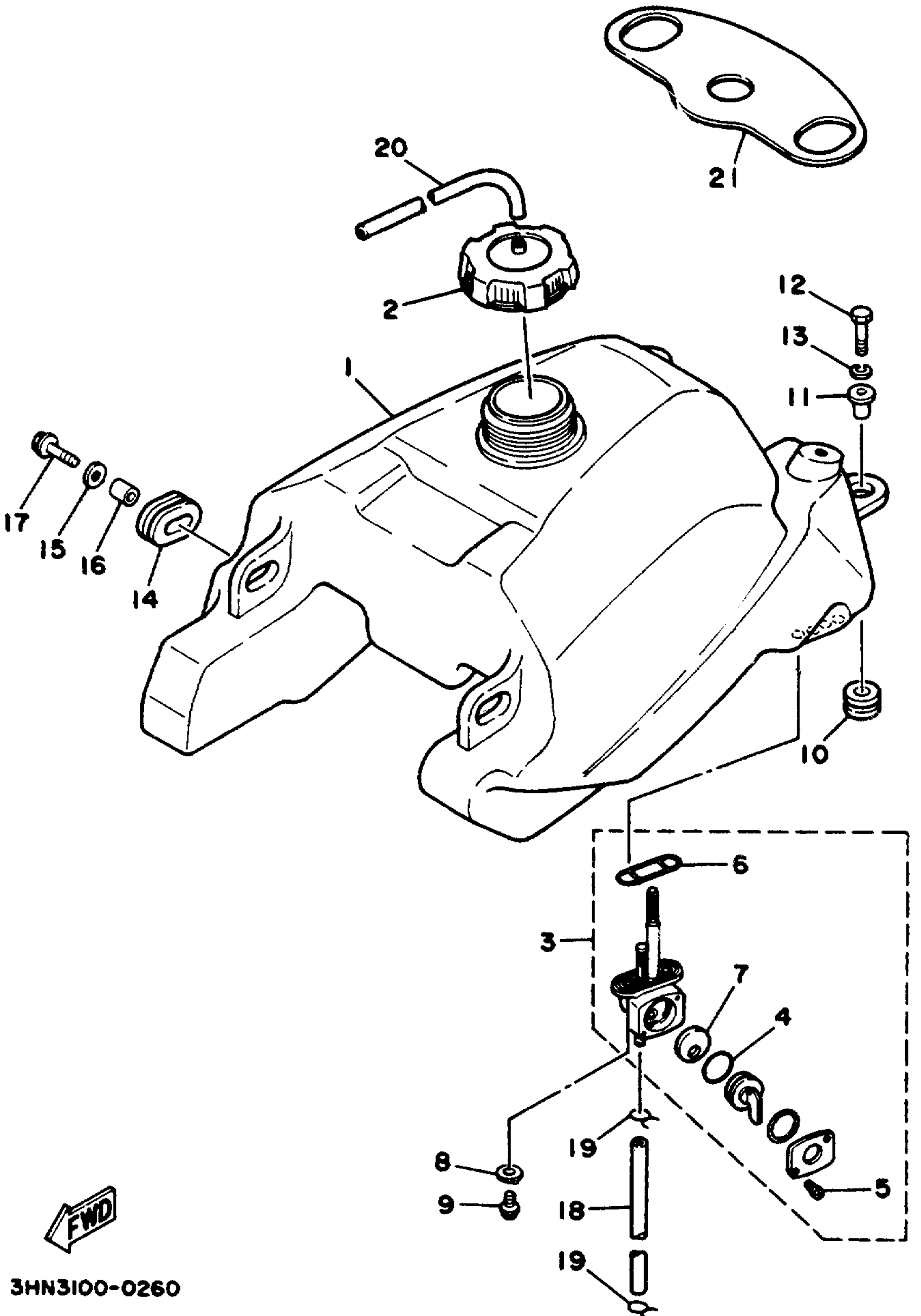
Yamaha YFM350FWD_MNH (BIG BEAR 4WD) 3HNA 1992 FUEL TANK Diagram
#
Description
Price
1
FUEL TANK COMP.
2HR-24110-01-00
Unavailable
13
WASHER, SPRING
92995-06100-00
Unavailable
16
COLLAR (1T2)
90387-07598-00
Unavailable
17
BOLT, WITH WASHER (24X)
90119-06073-00
Unavailable
18
HOSE (L400)
90445-116K9-00
Unavailable
19
CLIP
90467-100A1-00
Unavailable
20
HOSE (L420)
90445-092K1-00
Unavailable
21
DAMPER, PLATE 1
2HR-2414H-00-00
Unavailable
