Partiron

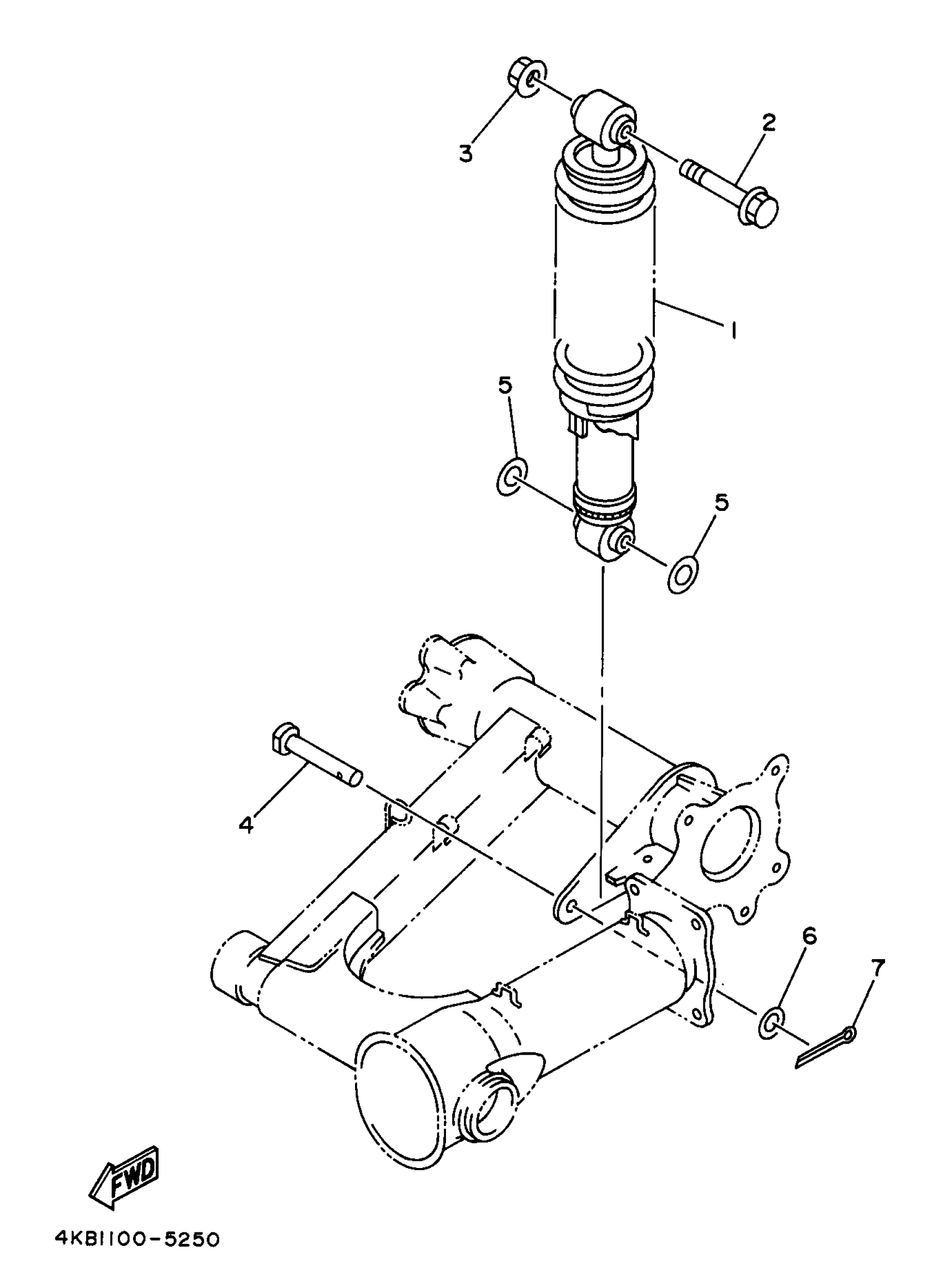
Yamaha YFM350FWBJ (BIG BEAR 4WD) 4WU1 1997 REAR SUSPENSION Diagram

#

Description
Price

1

SHOCK ABSORBER ASSEMBLY (REAR)

4WU-22210-00-00

Unavailable

2

BOLT, WASHER BASED(1YW)

90105-12425-00

$9.49

3

NUT, SELF LOCKING (1M1)

90185-12072-00

$9.49

4

PIN, CLEVIS (10V)

90240-12092-00

$10.49

5

COVER, THRUST

1W1-22128-00-00

$19.49

6

WASHER, PLATE(55K)

90201-127J6-00

$8.49

7

CLIP

90468-20196-00

Unavailable