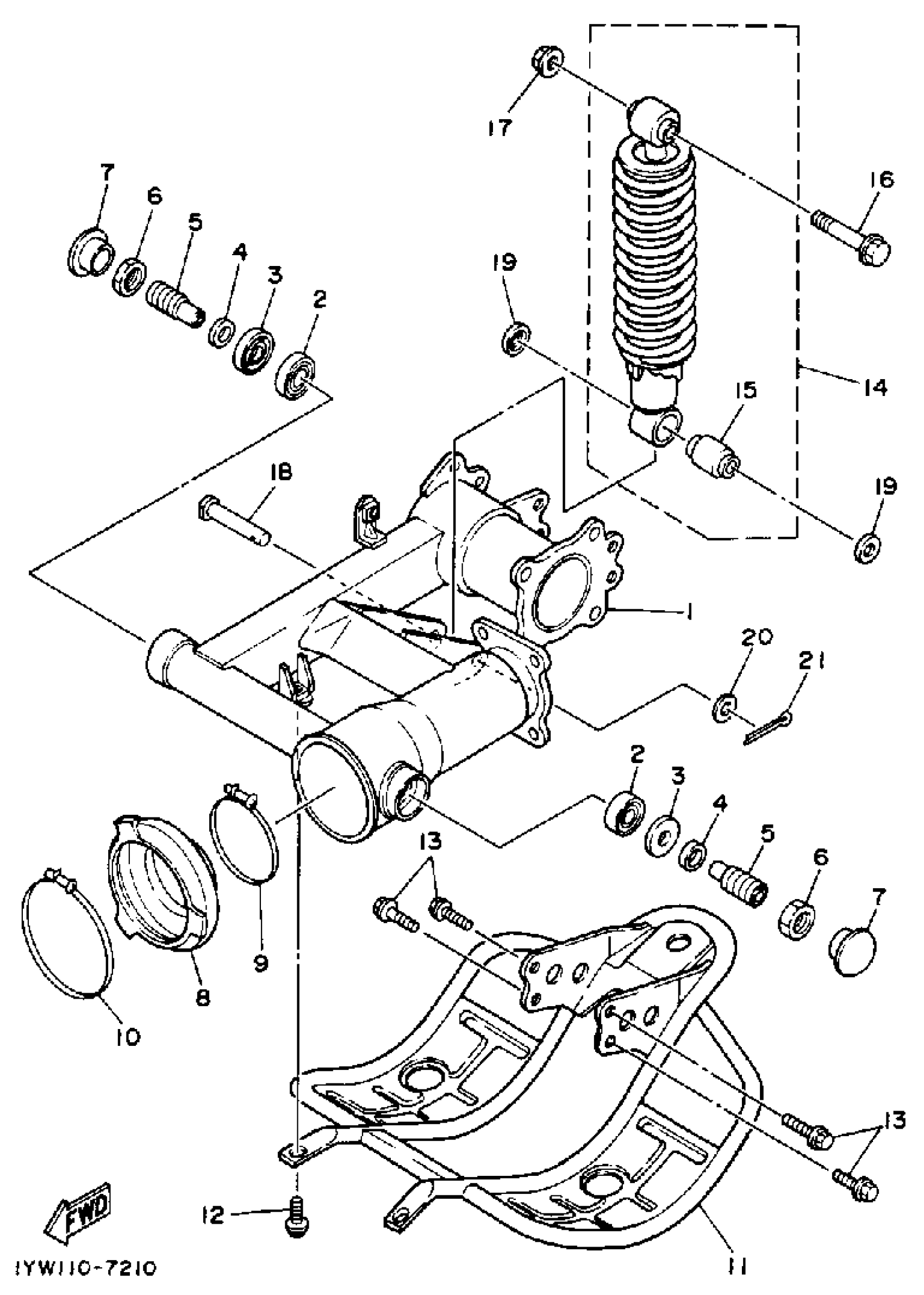
Yamaha YFM350ERT (MOTO-4) 1987 SWING ARM-REAR SHOCKS Diagram
#
Description
Price
1
REAR ARM COMP.
1YW-22110-00-33
Unavailable
7
PLUG (1J7)
90338-34069-00
Unavailable
8
BOOT, RUBBER (1YW-22189-00-00)
59V-22189-00-00
Unavailable
11
COVER
1YW-2219X-01-00
Unavailable
14
SHK/ABS ASSEMBLY, REARREAR
1YW-22210-00-26
Unavailable
15
BUSH, REAR SHOCK ABSORBER
1YW-22216-00-00
Unavailable
16
BOLT, WASHER BASED(1YW)
90105-12425-00
Unavailable
17
NUT, SELF LOCKING (1M1)
90185-12072-00
Unavailable
18
PIN, CLEVIS (10V)
90240-12092-00
Unavailable
19
COVER, THRUST
1W1-22128-00-00
Unavailable
20
WASHER, PLATE(663)
92990-12600-00
Unavailable
21
PIN, COTTER
91490-30030-00
Unavailable
