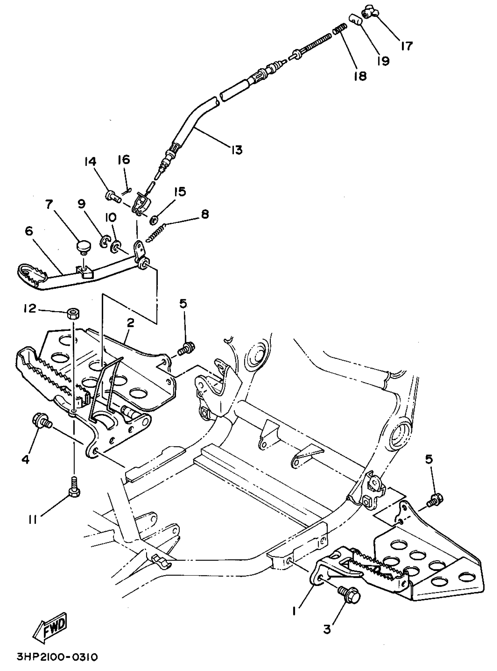
Yamaha YFM350ERF (MOTO-4) 1994 STAND - FOOTREST Diagram
#
Description
Price
1
FOOTREST 1
3GH-27411-00-00
Unavailable
2
FOOTREST 2
3HP-27421-00-00
Unavailable
3
BOLT, FLANGE
95817-12020-00
Unavailable
4
BOLT, FLANGE
95817-12020-00
Unavailable
6
PEDAL, BRAKE
1YW-27211-00-00
Unavailable
11
BOLT
90101-06595-00
Unavailable
13
CABLE, BRAKE
1YW-26351-01-00
Unavailable
16
PIN, COTTER
91490-20025-00
Unavailable
17
NUT, AJUSTING
20E-26343-00-00
Unavailable
18
SPRING, COMPRESSION (29U)
90501-10782-00
Unavailable
19
PIN 1562723700
90249-12008-00
Unavailable
