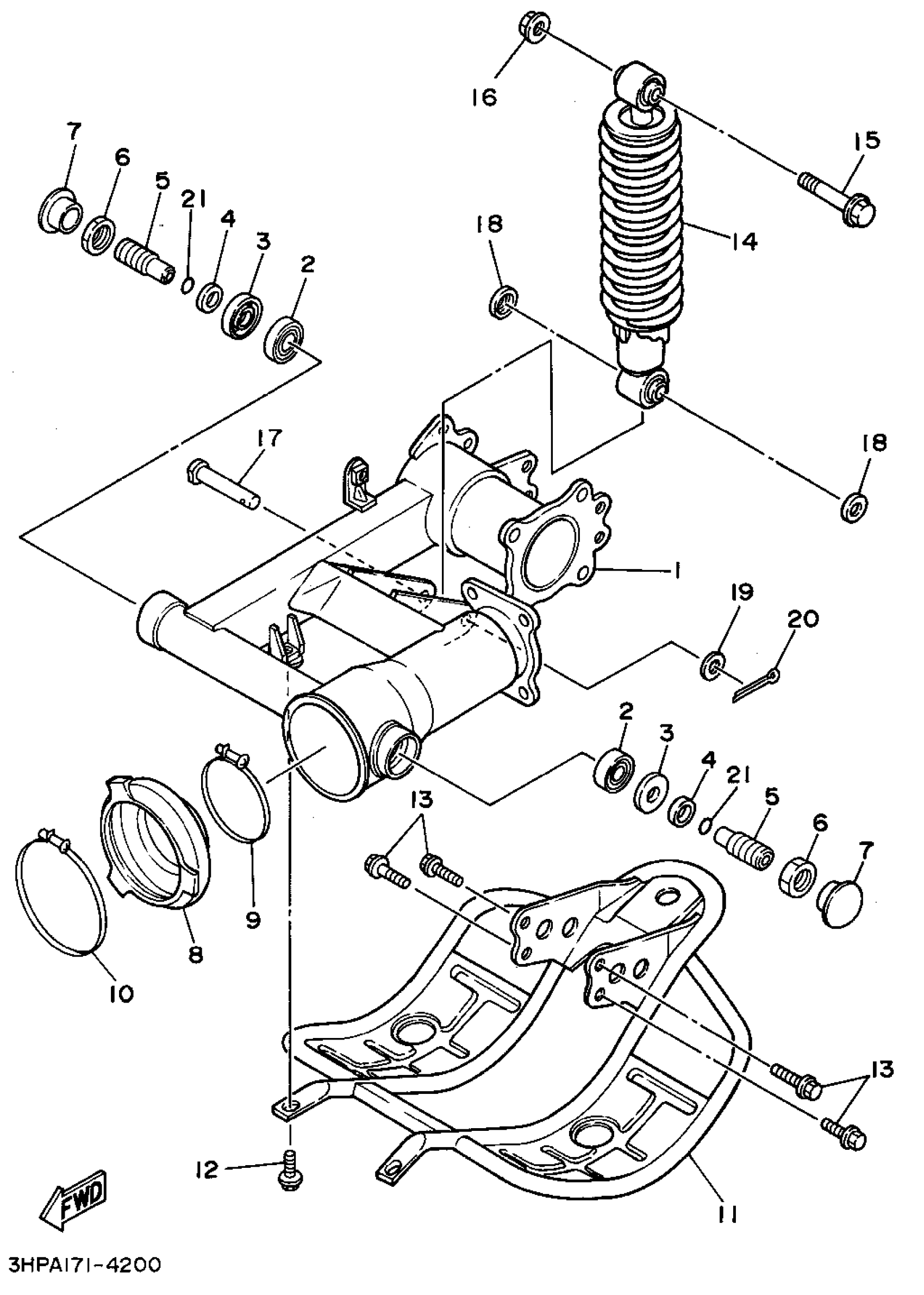
Yamaha YFM350ERF (MOTO-4) 1994 REAR ARM - SUSPENSION Diagram
#
Description
Price
1
REAR ARM COMP.
1YW-22110-00-33
Unavailable
7
PLUG (1J7)
90338-34069-00
Unavailable
8
BOOT, RUBBER (1YW-22189-00-00)
59V-22189-00-00
Unavailable
11
COVER
1YW-2219X-01-00
Unavailable
14
SHOCK ASSY,REAR
3HP-22210-00-33
Unavailable
16
NUT, SELF LOCKING (1M1)
90185-12072-00
Unavailable
17
PIN, CLEVIS (10V)
90240-12092-00
Unavailable
18
COVER, THRUST
1W1-22128-00-00
Unavailable
19
WASHER, PLATE(663)
92990-12600-00
Unavailable
20
PIN, COTTER
91490-30030-00
Unavailable
21
O-RING(53L)
93210-17718-00
Unavailable
