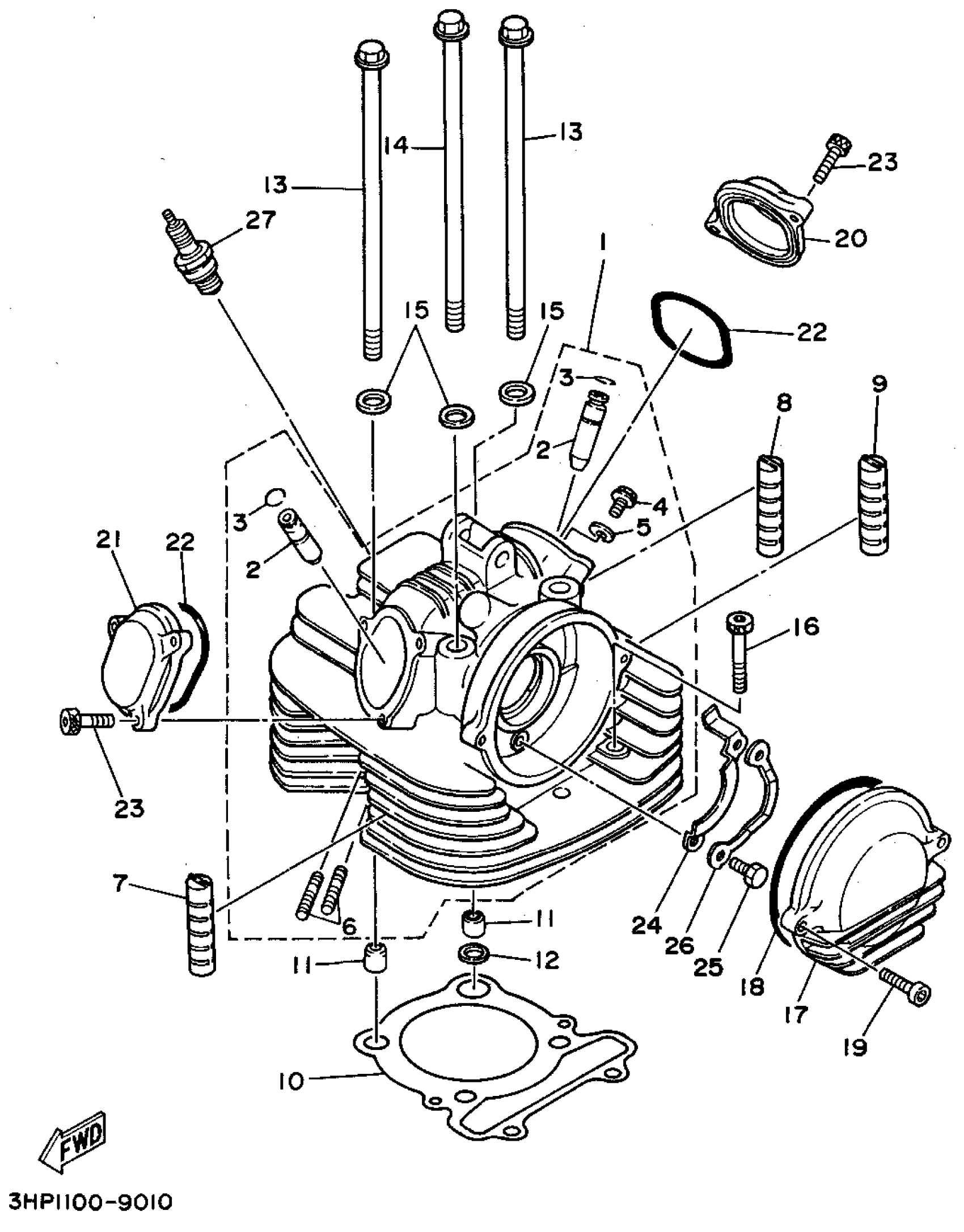
Yamaha YFM350ERF (MOTO-4) 1994 CYLINDER HEAD Diagram
#
Description
Price
1
CYLINDER HEAD ASSY
1YW-11101-01-00
Unavailable
4
BOLT UNION 137131650000
90401-06001-00
Unavailable
16
BOLT, SOCKET
91317-08050-00
Unavailable
17
COVER, CYLINDER HEAD SIDE 1
3Y1-11185-00-00
Unavailable
18
O-RING (15A)
93211-06635-00
Unavailable
19
BOLT,SOCKET
91317-06025-00
Unavailable
20
COVER, CYLINDER HEAD SIDE 2
3Y1-11186-10-00
Unavailable
21
COVER, CYLINDER HEAD SIDE 3
2NL-11187-11-00
Unavailable
22
O-RING
93210-57634-00
Unavailable
23
BOLT,SOCKET
91317-06020-00
Unavailable
24
PLATE
3Y1-1111F-00-00
Unavailable
25
BOLT (661)
97013-06012-00
Unavailable
26
WASHER, LOCK (3Y1)
90215-06162-00
Unavailable
27
PLUG, SPARK (ND X24ES-U)
[94-70100-18-10
Unavailable
27
D8EA NGK SPLUG 10PK
D8E-A0000-00-00
Unavailable
