Partiron

Yamaha YFM350ERD (MOTO-4) 3HP7 1992 ELECTRICAL 2 (ALT - PARTS) Diagram

#

Description
Price

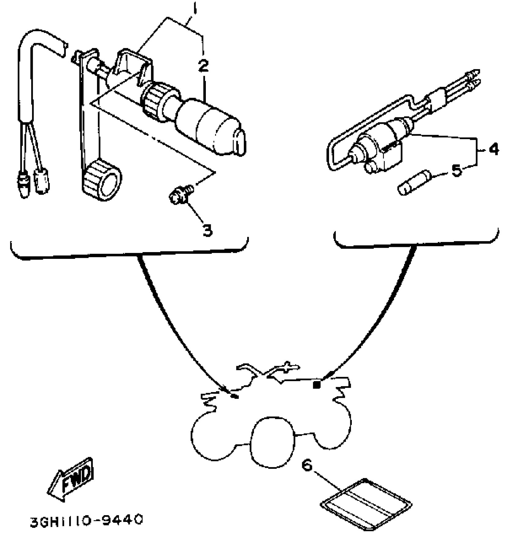
1

TERMINAL ASSY

59V-81920-00-00

Unavailable

2

COVER

59V-81942-00-00

Unavailable

3

SCREW, WITH WASHER (1T4/2F3)

90159-05018-00

$8.49

4

FUSE HOLDER ASSY

29U-82150-00-00

Unavailable

5

FUSE (10A)

1E6-82151-00-00

$7.99

6

GRAPHIC 4

59V-24894-00-00

Unavailable