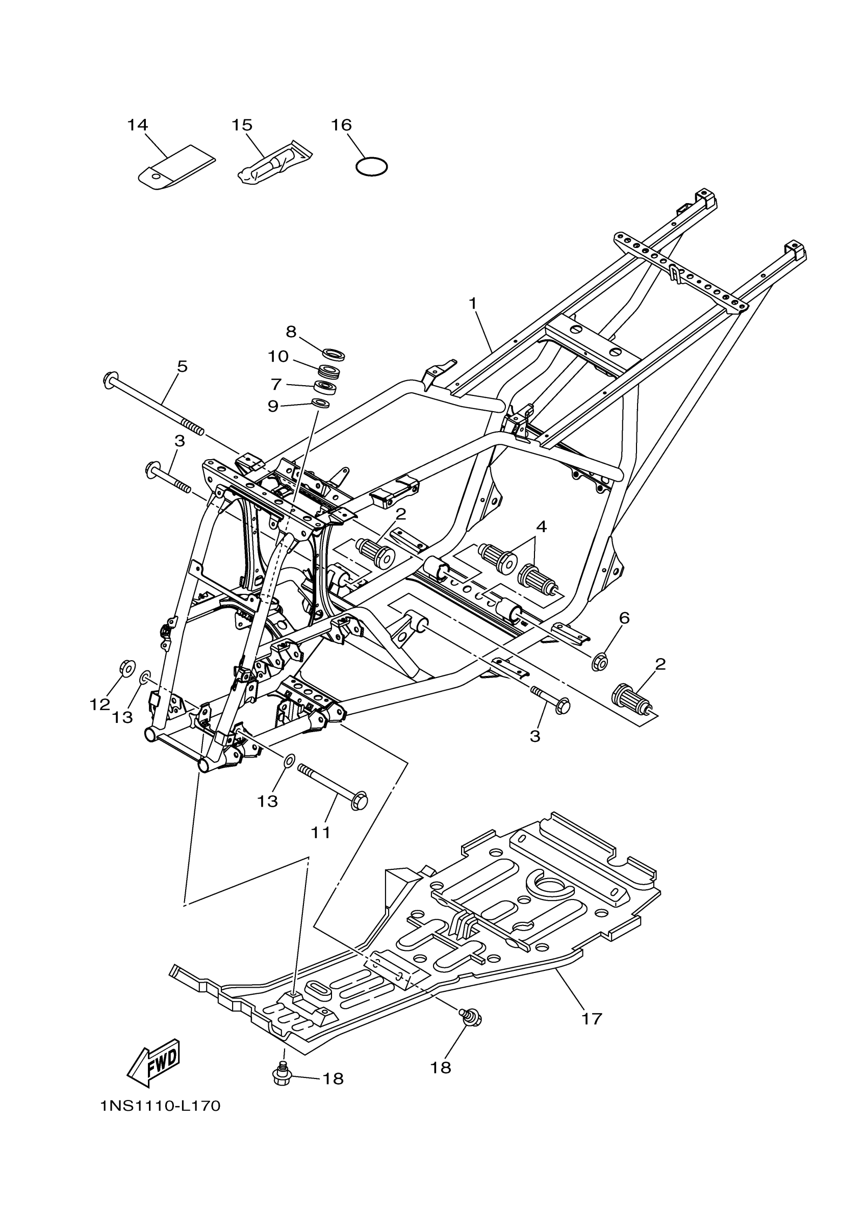
Yamaha YFM350DER (GRIZZLY 350 4WD) 1NSC1 2014 FRAME Diagram
#
Description
Price
1
FRAME COMP.
1NS-F1110-00-00
Unavailable
2
DAMPER, ENGINE MOU
5UH-E5336-00-00
Unavailable
4
DAMPER, ENGINE MOU
5UH-E5336-00-00
Unavailable
11
BOLT, HEXAGON BASED WASHER.
90105-10051-00
Unavailable
16
O-RING (583 OIL CLEANER)
93210-64297-00
Unavailable
17
GUARD, ENGINE 1
5ND-F147A-03-00
Unavailable
18
BOLT
90109-06172-00
Unavailable
