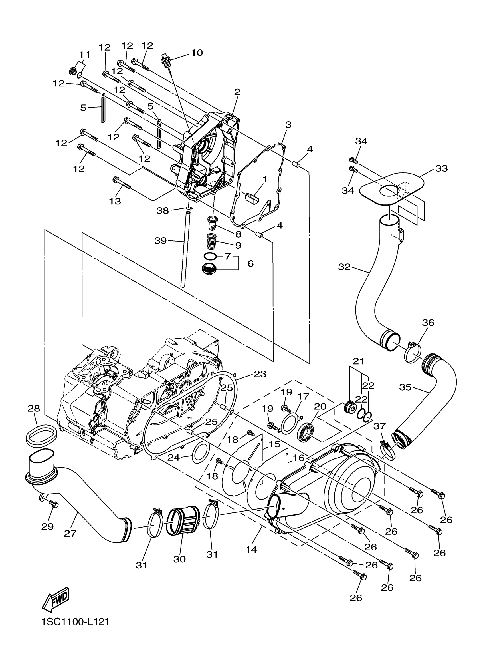
Yamaha YFM30GDR (GRIZZLY 300) 1SC51 2013 CRANKCASE COVER 1 Diagram
#
3
GASKET, CRANKCASE COVER 2
1SC-E5461-00-00
Unavailable
6
PLUG, BLIND 1
1SC-E5167-00-00
Unavailable
10
PLUG, OIL LEVEL
1SC-E536A-00-00
Unavailable
11
PLUG, BLIND 2
1SC-E5168-00-00
Unavailable
13
BOLT 2
1SC-E5482-00-00
Unavailable
14
CRANKCASE COVER ASSY 1
1SC-E5410-00-00
Unavailable
15
PLATE, DUST SEAL
1SC-E5497-00-00
Unavailable
16
GASKET
1SC-E5453-00-00
Unavailable
17
PLATE, BEARING COVER
1SC-E5383-00-00
Unavailable
18
SCREW, FITTING
1SC-E5444-00-00
Unavailable
19
BOLT, SPECIAL
1SC-E7087-00-00
Unavailable
20
BEARING 4
1SC-E142B-00-00
Unavailable
21
SPACER
1SC-E7649-00-00
Unavailable
22
OIL SEAL
1SC-E511C-00-00
Unavailable
23
GASKET, CRANKCASE COVER 1
1SC-E5451-00-00
Unavailable
24
PLATE
1SC-E5589-00-00
Unavailable
26
BOLT
1SC-H1252-00-00
Unavailable
27
DUCT, AIR
1SC-E5471-00-00
Unavailable
28
ELEMENT 1
1SC-E5407-00-00
Unavailable
29
BOLT
1SC-F1738-00-00
Unavailable
30
SEAL, AIR DUCT
1SC-E5472-00-00
Unavailable
31
BAND
1SC-E54F3-00-00
Unavailable
32
DUCT, AIR
1SC-E5473-00-00
Unavailable
33
PLATE
1SC-E5191-00-00
Unavailable
34
BOLT
1SC-F1739-00-00
Unavailable
35
SEAL, AIR DUCT
1SC-E5474-00-00
Unavailable
36
CLAMP, HOSE 1
1SC-E1387-00-00
Unavailable
37
CLAMP, HOSE 2
1SC-E1388-00-00
Unavailable
38
CLIP
90467-06016-00
Unavailable
39
HOSE,3
1SC-E243F-00-00
Unavailable
