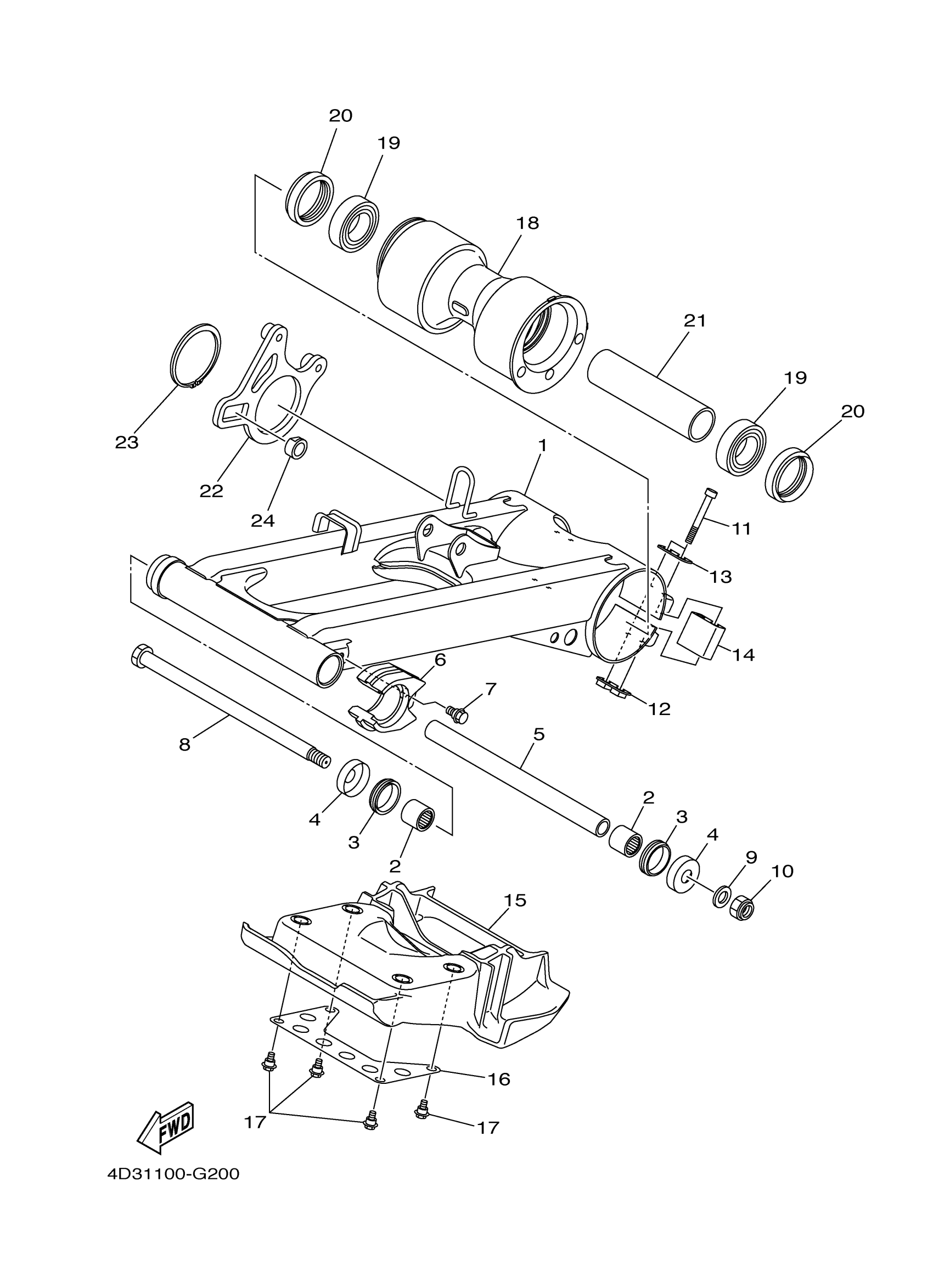
Yamaha YFM25RBW (RAPTOR 250) 1BTF0 2012 REAR ARM Diagram
#
Description
Price
1
REAR ARM COMP.
4D3-22110-00-P0
Unavailable
8
SHAFT, PIVOT
2JN-22141-00-00
Unavailable
16
PLATE, CHAIN CASE RUBBER
4D3-22347-00-00
Unavailable
17
BOLT
90109-06236-00
Unavailable
18
HUB, REAR
2PA-25311-00-00
Unavailable
19
BEARING
93306-00710-00
Unavailable
20
OIL SEAL
93106-46001-00
Unavailable
21
SPACER, BEARING
4D3-25317-00-00
Unavailable
22
BRACKET, CALIPER
4D3-25721-00-00
Unavailable
23
CIRCLIP
93410-67085-00
Unavailable
24
COLLAR, WHEEL
4D3-25377-00-00
Unavailable
