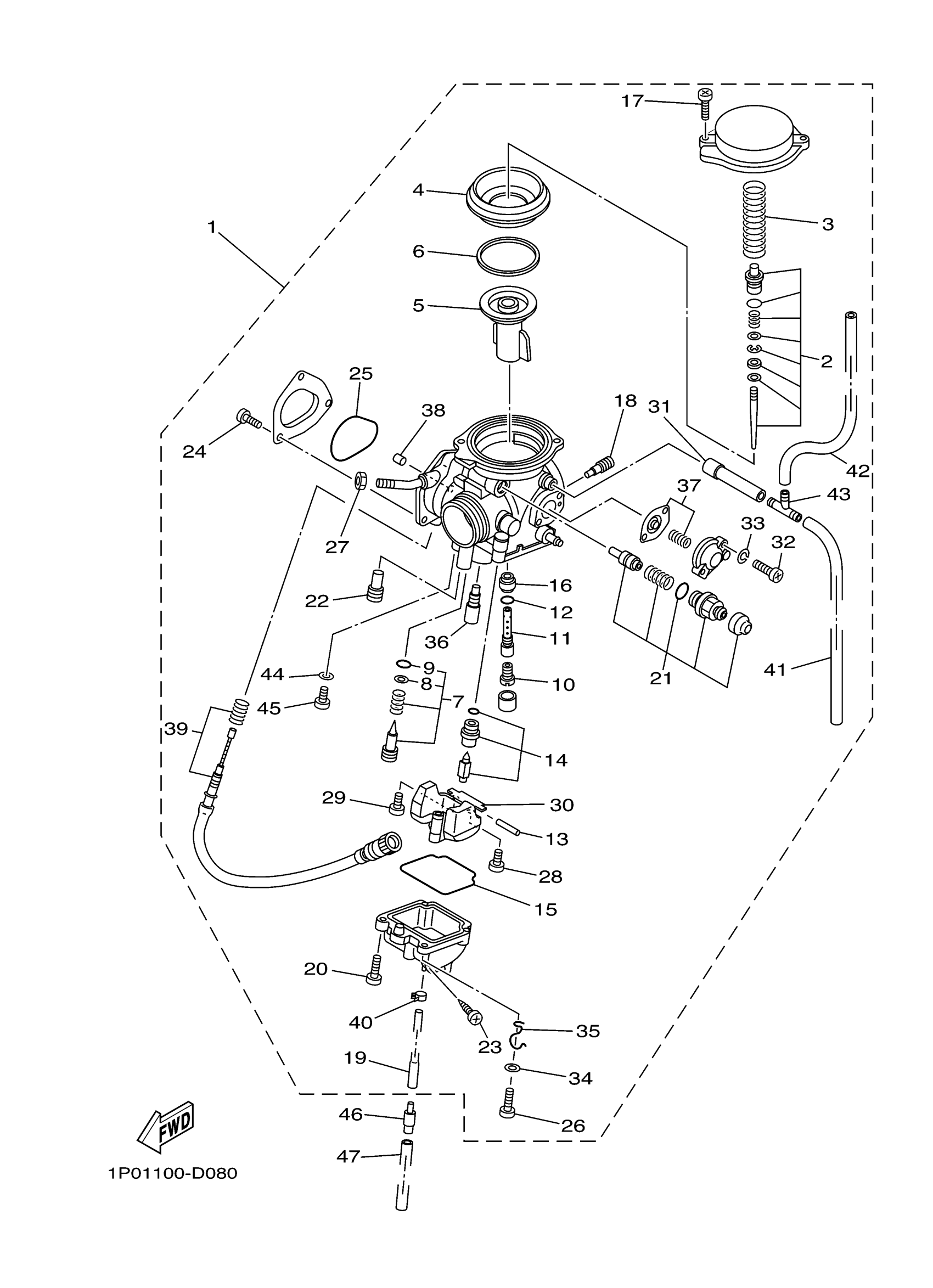
Yamaha YFM25BXL (BIG BEAR 250) 1P0D0 2008 CARBURETOR Diagram
#
1
CARBURETOR ASSY 1
1P0-E4101-10-00
Unavailable
2
NEEDLE SET
1P0-1490J-00-00
Unavailable
7
PILOT SCREW SET
5FU-14105-10-00
Unavailable
16
NOZZLE, MAIN
5DM-14141-42-00
Unavailable
17
SCREW
4KM-14216-00-00
Unavailable
18
JET, MAIN (# 80)
1HX-14231-16-00
Unavailable
19
PIPE
4KB-14193-20-00
Unavailable
20
SCREW, PAN HEAD (E56)
98580-04010-00
Unavailable
21
STARTER SET
5UH-1410A-00-00
Unavailable
22
JET, MAIN (# 60)
3G2-14231-12-00
Unavailable
23
PLUG, DRAIN
3FV-14191-00-00
Unavailable
24
SCREW, PAN HEAD(3XP)
98517-04006-00
Unavailable
25
O-RING
5FU-E4147-00-00
Unavailable
26
SCREW, PAN HEAD(N15)
98507-04014-00
Unavailable
27
NUT, CABLE ADJUSTING
522-14161-00-00
Unavailable
28
SCREW, PAN HEAD(JG1)
98507-04008-00
Unavailable
29
SCREW
1FN-14565-00-00
Unavailable
30
FLOAT
5DM-14985-00-00
Unavailable
31
PIPE
5FU-14197-00-00
Unavailable
32
SCREW, PAN HEAD(GA5)
98580-04014-00
Unavailable
33
YBS67-4 WASHER, SPRING
92990-04100-00
Unavailable
34
WASHER(JF2)
92907-04600-00
Unavailable
35
CLIP
5GH-14937-00-00
Unavailable
36
JET, PILOT (# 17.5)
4KM-14142-17-00
Unavailable
37
DIAPHRAGM SET 5
5EL-1490H-00-00
Unavailable
38
GUIDE, CABLE
5FU-E4155-00-00
Unavailable
39
THROTTLE SCREW SET
5UH-14103-00-00
Unavailable
40
CLIP
4XE-14937-00-00
Unavailable
41
PIPE 1
5UH-14348-00-00
Unavailable
42
HOSE
7T9-14987-00-00
Unavailable
43
CONNECTOR
5FU-14167-00-00
Unavailable
44
WASHER
256-14956-01-00
Unavailable
45
SCREW
3DM-14216-00-00
Unavailable
46
PIPE 2,OVERFLOW
24W-14193-00-00
Unavailable
47
TUBE, FLEXIBLE(3NV)
91A21-07020-00
Unavailable
