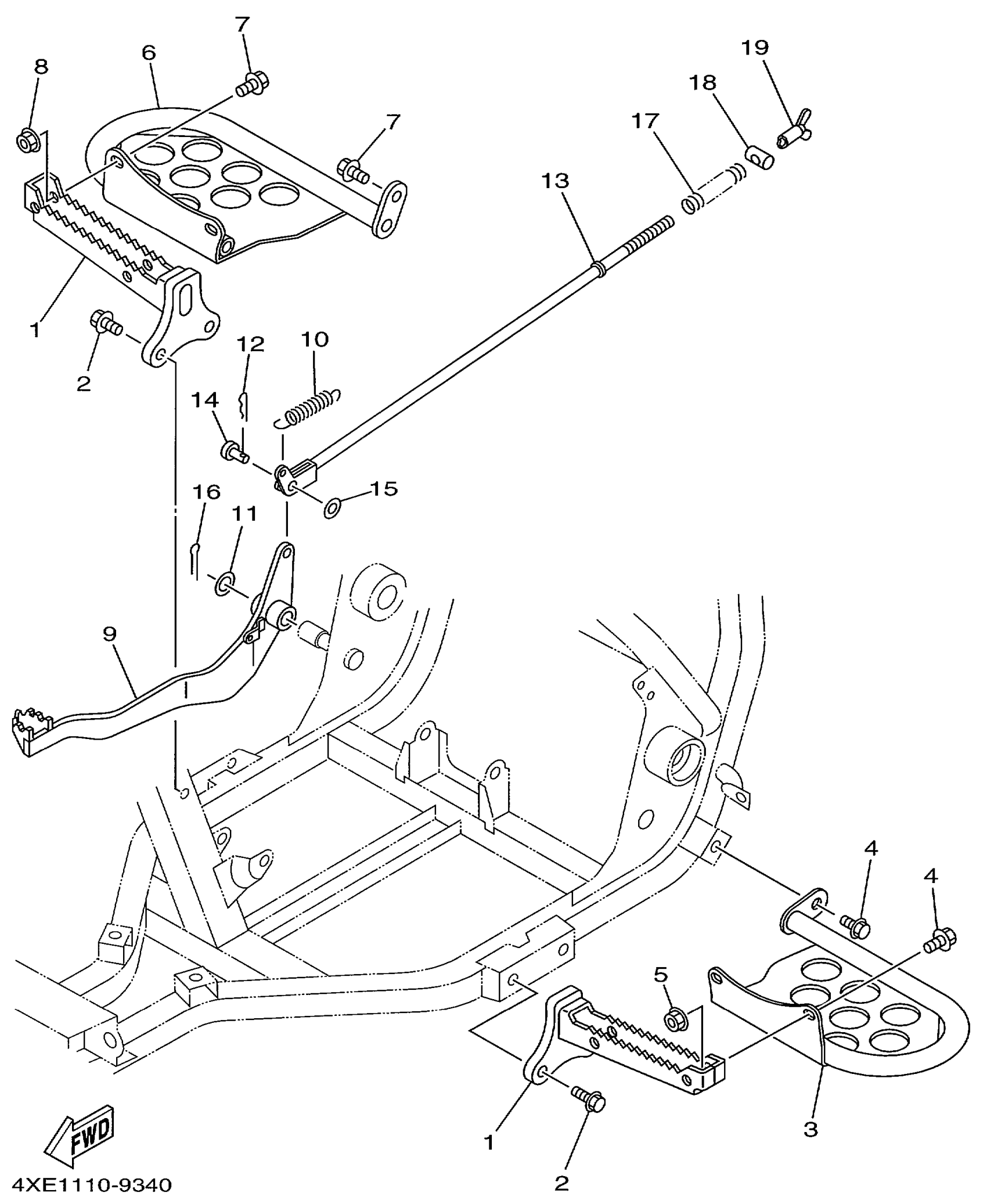
Yamaha YFM250XLC (BEAR TRACKER 2WD) 4XE3 1999 STAND FOOTREST Diagram
#
Description
Price
1
FOOTREST 1
4XE-F7411-00-00
Unavailable
2
BOLT, FLANGE
90105-10845-00
Unavailable
3
PLATE 1
4XE-F7445-00-00
Unavailable
6
PLATE 2
4XE-F7446-00-00
Unavailable
9
PEDAL, BRAKE
4XE-F7211-00-00
Unavailable
12
PIN. COTTER
91490-40030-00
Unavailable
16
PIN, COTTER (648)
91490-20015-00
Unavailable
17
SPRING, (180-27236-00)
90501-10245-00
Unavailable
18
PIN 1562723700
90249-12008-00
Unavailable
19
NUT, AJUSTING
20E-26343-00-00
Unavailable
