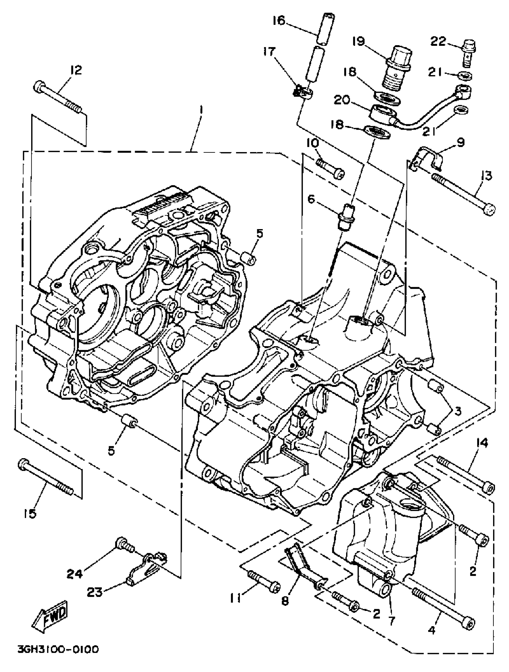
Yamaha YFM250A (MOTO-4) 1990 CRANKCASE Diagram
#
Description
Price
1
CRANKCASE ASSEMBLY
3GH-15100-00-00
Unavailable
2
BOLT,SOCKET
91317-06035-00
Unavailable
4
BOLT, SOCKET
91317-06085-00
Unavailable
6
PIPE, BREATHER 2
59V-11167-00-00
Unavailable
7
. COVER, GENERATOR
3GH-15415-09-00
Unavailable
10
SCREW, PAN HEAD(6E0)
97885-06030-00
Unavailable
12
SCREW, BIND (JH1)
98580-06560-00
Unavailable
14
BOLT
91317-06160-00
Unavailable
16
HOSE
90445-121E3-00
Unavailable
17
CLIP(3YX)
90467-13133-00
Unavailable
18
GASKET
90430-20145-00
Unavailable
19
BOLT, UNION
90401-20134-00
Unavailable
20
PIPE, DELIVERY 1
3GH-13161-00-00
Unavailable
21
WASHER, PLATE 3411117500
90201-08087-00
Unavailable
22
BOLT, UNION
90401-08004-00
Unavailable
23
PLATE
(3GH-15113-00-00)
Unavailable
24
SCREW, PAN
98507-06014-00
Unavailable
