Partiron

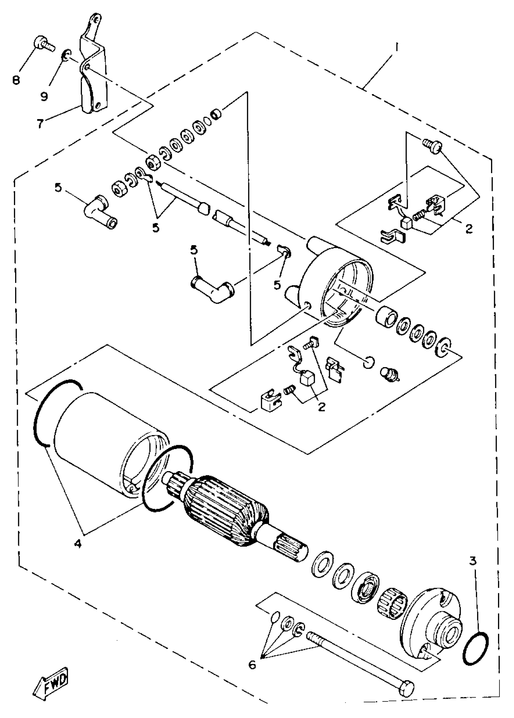
Yamaha YFM225U (MOTO-4) 1988 STARTING MOTOR Diagram

#

Description
Price

1

STARTING MOTOR UNIT

59V-81890-00-00

Unavailable

2

BRUSH SET

3C5-81801-00-00

$23.99

3

O-RING(1RL)

93210-25711-00

$7.49

4

O-RING(50M)

93210-55669-00

$8.49

5

. CORD COMP

59V-8183G-M0-00

Unavailable

6

BOLT 2

59V-81828-M0-00

$16.49

7

STAY, STARTING MOTOR

24W-81823-00-00

Unavailable

8

SCREW, PAN

98507-06014-00

$8.49

9

WASHER, SPRING

92995-06100-00

Unavailable