Yamaha YFM225S (MOTO-4) 59V 1986 CRANKSHAFT PISTON Diagram
#
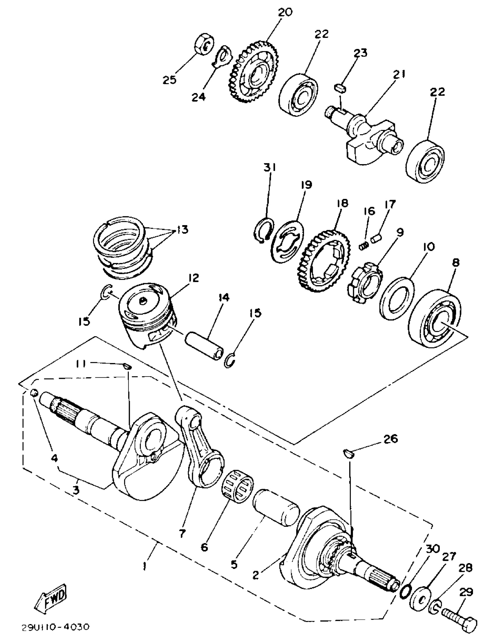
1
CRANKSHAFT ASSY
5XG-E1400-00-00
Unavailable
1
CRANK
99999-01953-00
Unavailable
1
CRANKSHAFT ASSEMBLY
99999-01954-00
Unavailable
2
CRANK SUB ASSY 1
29U-11401-09-00
Unavailable
3
CRANK
99999-01953-00
Unavailable
4
.. PLUG
90331-09041-00
Unavailable
5
PIN, CRANK 1
5H0-11681-00-00
Unavailable
9
BOSS, BUFFER (21V-11496-00)
59V-11496-00-00
Unavailable
10
WASHER, PLATE (21V)
90201-406F4-00
Unavailable
12
PISTON STD
29U-11631-00-Y0
Unavailable
12
PISTON 2 O/S 0.50
29U-11636-00-00
Unavailable
12
PISTON 4 O/S 1.00
29U-11638-00-00
Unavailable
13
PISTON RING SET
29U-11610-00-00
Unavailable
13
PISTON RING SET
29U-11610-20-00
Unavailable
13
PISTON RING SET (STD)
4BD-11610-00-00
Unavailable
14
PIN, PISTON
29U-11633-00-00
Unavailable
15
CIRCLIP (1L9)
93450-17044-00
Unavailable
16
SPRING COMPRESSION341114880000
90501-21133-00
Unavailable
17
PIN, DOWEL
93605-10090-00
Unavailable
18
GEAR, DRIVE
5H0-11536-00-00
Unavailable
19
WASHER, PLATE
90201-266F5-00
Unavailable
20
GEAR, BALANCE WT
5H0-11531-00-00
Unavailable
21
WEIGHT 1
15A-11454-00-00
Unavailable
22
BEARING
93306-30443-00
Unavailable
23
KEY, STRAIGHT(34K)
90282-05065-00
Unavailable
24
WASHER, LOCK (15Y)
90215-14205-00
Unavailable
25
NUT (5H0)
90170-14284-00
Unavailable
26
KEY, WOODRUFF
90280-05001-00
Unavailable
27
WASHER, PLATE
90201-10058-00
Unavailable
28
YBS67-10 WASHER, SPRING
92990-10100-00
Unavailable
29
BOLT (21V)
90101-10568-00
Unavailable
30
O-RING (538)
93210-16290-00
Unavailable
31
CIRCLIP
99009-26400-00
Unavailable
