Partiron

Yamaha YFM200DXW (MOTO-4) 1989 SHIFT CAM-FORK Diagram

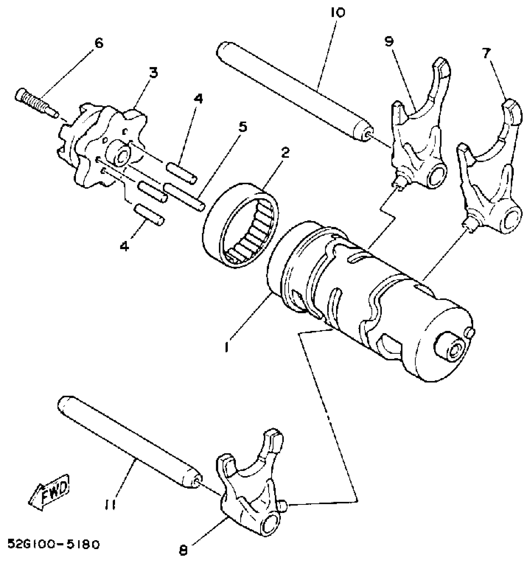
#

Description
Price

1

SHIFT CAM ASSY

52G-18540-01-00

Unavailable

2

BRG,CYL-CAL ROLLER 22G NT

93315-23612-00

$33.99

3

SEGMENT

5H0-18185-01-00

$76.99

4

PIN, DOWEL (409)

93604-16092-00

$3.18

5

PIN, DOWEL (4H7)

93604-20156-00

$3.55

6

SCREW, COUNTERSUNK (5H0)

90151-06013-00

$9.49

7

FORK, SHIFT 3

4JG-18513-00-00

Unavailable

8

FORK, SHIFT 1

4JG-18511-00-00

Unavailable

9

FORK, SHIFT 2

4JG-18512-01-00

Unavailable

10

BAR, SHIFT FORK GUIDE 1

5H0-18531-00-00

Unavailable

11

BAR, SHIFT FORK GUIDE 2

4DN-18535-00-00

Unavailable